Цифровой мультиметр
Самым удобным можно назвать мультиметр, в котором достаточно просто установить конкретный измерительный режим. Диапазон допуска дополнительно указывать не надо, так как устройство само подстраивается под показатели цепи, проводит замеры и выдаёт необходимый результат.
На представленном ниже изображении в первой позиции показана рукоятка, имеющая несколько положений, демонстрирующих напряжение переменное и постоянное. Первое обозначается V AC (значок ~), последнее DC (—), в диапазоне вольт и милливольт. Аналогичной является и сила тока А, не имеющая разделения на токовые типы, но имеющая градацию в амперах и миллиамперах.
Внизу располагается несколько гнёзд, использующихся для активизации проводов измерения. Обозначенное второй позицией СОМ гнездо используется для главного провода чёрного цвета. Третья позиция показывает гнездо для проведения основных измерений с использованием красного шнура. Ниже указаны допустимые пределы измерения напряжения и тока. Четвёртое гнездо, обозначающееся на изображение 4 позицией, используют для замера в амперах токовой силы, с максимальным пределом не больше 10 А. Все показания появляются на дисплее с цифровой графикой, который обозначена 5 позицией.
Используя мультиметр, необходимо указывать и режим работы, и токи переменные, постоянные. В этом же секторе устанавливается переключатель в необходимом измерительном диапазоне, выраженном в мА, µА и А. На показанном примере продемонстрировано 4 гнездовые подключения. Два из них для красных проводов, измеряющие до 200 мА и до 10 А. Напряжение, сопротивление, ёмкость и другие показатели измеряются при помощи отдельного гнезда.
Ошибки пользователей мультиметра
Китайские мультиметры настроены работать, даже если неправильно поставлены щупы. Сломать прибор случайно остерегайтесь. Избегайте способа: воткнуть черный провод в разъем измерения высоких токов, красный – на свое место. Попытаетесь измерить переменное напряжение высоковольтной линии – ремонт обеспечен. Нельзя применять неправильные диапазоны. Зарекитесь пытаться измерить переменное напряжение, применив шкалу постоянного. Проверка фаз станет последней в жизни мультиметра.
Прибор выводится из строя большим напряжением переменной полярности. Прочее (к примеру, неправильная полярность щупов) не так страшно.
Мультиметр dt9208a инструкция по применению
Особенностью этой модели является увеличенный диапазон замера постоянного и переменного тока – до 20А.

К достоинствам устройства пользователи также относятся:
- удобный датчик температуры (с термопарой), входящий в комплект поставки. Диапазон измерения температуры составляет от -40 до 1000 градусов по Цельсию, погрешность составляет 1 … 2 градуса;
- способность проверять емкость и частоту;
- наличие функции «композиция»;
- хранение результатов измерений;
- автоматическое отключение через 15 минут бездействия;
- резиновый чехол на корпус. Защищает от пыли, частично от влаги. Для замены крышки батарейного отсека необходимо снять и выкрутить винты, которыми крепится задняя крышка;
- указать установку в наклонном положении и возможность поворота экрана.

При поставке мультиметра из Китая инструкция к нему прилагается на английском, причем специфически «китайском английском», языке. Поэтому для покупателей этой модели рекомендуем сразу же найти качественный видео-обзор:
Как измерить силу тока мультиметром на аккумуляторе
Любая машина имеет своё минимальное количество утечки тока, которое варьируется, в амперах, от 0,01 до 0,08. Для начала стоит разобраться с причинами утечки тока в автомобиле. Одной из них может быть то, что владелец просто забыл выключить световые приборы, например.
Существуют автомобили, в которые встроена дурная заводская задумка. Таковой можно считать стекольный обогрев, который ведёт свою цепочку питания, минуя замок зажигания. Не забываем про детей, которые так любят посидеть на водительском сиденье, покрутив различные рычаги приборов.

Второй глобальной причиной может быть неправильное подключение. Так, в период глобального интереса автолюбителей к музыке и магнитолам заряд батареи таял на глазах. Происходило это потому, что установщики не умели правильно подключать приборы. Один проводок зажигания, пропущенный через замок зажигания, делал своё дело. Если вам установили противоугонную систему, а наутро вы обнаружили пустой аккумулятор, то и гадать нечего.

Ещё советуем не оставлять регистраторы, радары и прочие приборы в прикуривателях и розетках. Не все машины обеспечивают их при неработающем зажигании.
Для того чтобы определить утечку тока, необходимо выполнить некоторые действия. Итак, открыв капот, открутите клемму с минусом от аккумулятора. Далее, сняв её, устанавливайте мультиметр в режим ампеража. В разрыв промеж клеммой и контактом АКБ поместите щуп. На табло появляются цифры, которые отражают величину утечки. Если вы видите показания в мА, то можете быть спокойны. Если же измерения представлены в амперах, то поспешите принять определённые меры.
Проверка показаний мультиметром
Силу тока важно измерять при контроле правильной работоспособности приборов. Часто нужно проверить уровень зарядного тока аккумулятора для машины, ноутбука, планшета, power-bank
Измерение тока различного характера производится разными способами внутри измеряющего прибора. Поэтому на мультиметре всегда есть элемент, задача которого выбрать параметр, режим измерения и уровень сигнала. Иногда, в более совершенной аппаратуре, уровень сигнала определяется автоматически.
Обычно параметр и режим измерения выбираются поворотом ручки на корпусе мультиметра. Выбираемые характеристики сгруппированы по их типам. Обозначаются они, как правило, так:
- Постоянный ток: A -, DCA, I -;
- Переменный ток: A ~, ACA, I ~;
- Постоянное напряжение: В-, DCV, U -;
- Переменное напряжение: В~, ACV, U ~;
- Сопротивление: Ω, R, Ом;
- Определение ёмкости конденсаторов часто обозначено значком конденсатора, или буквой С;
- Прозвонка диодов обычно обозначается значком диода.
https://youtube.com/watch?v=RUCSGrLXpQg
Методики измерений
Для выполнения рабочих операций переключатель переводится в нужное положение. Черный провод щупа подключают к общему гнезду («Com»). Красный – устанавливают с учетом максимальной силы тока.

Органы управления
Сначала можно рассмотреть, как измерить напряжение мультиметром в розетке. Эта операция выполняется по следующему алгоритму:
- Провода подсоединяют так, как указано на рисунке выше.
- Переключатель переводят из «Off»в режим измерения переменного напряжения«V~». В данном случае используют диапазон «750», так как предполагаемое значение – 220 Вольт.
- Прибор устанавливают поблизости от розетки
- Щупы вставляют в нее, держась руками за изолированные части щупов.

Демонтировать аккумулятор для измерений не обязательно. Но надо не забыть перевести регулятор в положение «Постоянное напряжение»
Как проверить мультиметром сопротивление
Такую процедуру выполняют со снятием напряжения в месте измерения. Невыполнение правила ухудшит точность данных, либо выведет технику из строя. Это же не следует делать, чтобы предотвратить потенциально опасные для человека ситуации. Если не известно, вначале устанавливают максимальное значение. Далее переключателем снижают диапазон вплоть до выбора оптимального варианта.

Для удобства работы применяют специальные зажимы («крокодилы»)

Если знать, как мультиметром замерить сопротивление, можно выяснить исправность нагревательного элемента чайника, другой бытовой техники
Статья по теме:
Как измерить силу тока мультиметром
Для этой операции необходимо создать разрыв цепи. К нему подключают прибор с учетом предполагаемой величины тока. Как и в предыдущем случае, выбирается диапазон с максимальным значением. Если необходимо, регулятор переводят постепенно в нужную позицию.

Для определения силы тока прибор устанавливают в электрическую цепь последовательно
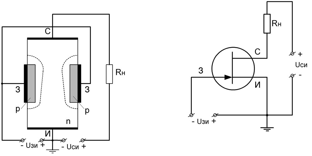
Как проверить мультиметром полевой транзистор
Диагностика этих электронных приборов помогает выяснить исправность полупроводниковых переходов. В стандартном варианте применения ток течет по направлению от истока (И/ S) к стоку (С/ D). Этот процесс регулируется изменением электрического потенциала на затворе (З/ G).

Полевой n-канальный транзистор
Проверку выполняют по следующему алгоритму:
- Регулятор мультиметра переводится в режим работы с диодами.
- «Минусовой» черный щуп присоединяют к истоку (И/ S), красный – к стоковому (С/ D) контактному выводу. В нормальном состоянии на дисплее отобразится 0,6 V (допустимое отклонение в пределах ±0,1V).
- Далее щупы меняют местами. В этом положении на экране появляется горизонтальная восьмерка (знак «бесконечность»). Вместо нее в некоторых приборах выводится единица.
- Чтобы открыть p-n-p переход щуп «минус» присоединяют к истоку, «плюс» – к затвору (З/ G).
- Далее «плюс» перемещают на сток. В этом положении должно индицироваться напряжение в диапазоне0 – 0,8V.
- Результат измерений на исправном транзисторе не изменяется, если сменить полярность.
Проверка конденсаторов мультиметром
Приборы, установленные в печатных платах, предварительно осматривают. При обнаружении вытекшего электролита, трещин и вздутий на корпусе, проверка не нужна. Изделие меняют на новое.
Измерение выполняют с извлечением конденсатора из электрической схемы, чтобы обеспечить хорошую точность. После демонтажа любым проводником с изолированной рукояткой (отверткой) разряжают прибор, замкнув выводы. Также используют лампу накаливания, чтобы процесс был плавным.
Далее мультиметром проверяют отсутствие короткого замыкания. Для проверки зарядки устанавливают регулятор в режим измерения сопротивления и подсоединяют щупы. Показания на табло будут постепенно расти, пока не достигнут максимума.

В некоторых моделях мультиметров есть специальные контактные площадки и регулировки диапазонов для измерения емкости конденсаторов
Диагностика простых повреждений
Если досконально выяснить, как прозвонить транзистор мультиметром, то применять иные методики будет не трудно. Но в действительности, чаще всего требуется определять разрывы в электрических цепях. Для упрощения этих операций многие мультиметры оснащают специальной функцией. Она активизируется при переводе регулятора в положение «прозвонка». О наличии контакта сообщает сигнализация.

Синей линией выделено включение прибора в режим проверки со звуковым сопровождением
Как правильно проверить ток в розетке мультиметром
Засовывать щупы в розетку к контактам фазы и ноля нельзя, для выполнения проверки необходимо подключить «нагрузку», то есть любой электроприбор.
Ниже показана схема для замера тока трансформатора, в качестве нагрузки к его контактам подключена обычная лампа накаливания. Как видно по показаниям дисплея, ток составляет 1,14 А
Важно понимать – в домовой электросети показатели выше, поэтому не стоит рисковать, напрямую «закорачивая» фазу и ноль щупами мультиметра
Фактически для проверки выполняется такая последовательность действий:
- отключается ток в выбранной для замеров розетке (автоматом на щитке). Проверить, подключена розетка или нет, можно с помощью замера напряжения мультиметром. Эта процедура безопасна даже под нагрузкой;
- с розетки снимается лицевая (защитная часть) так, чтобы был прямой доступ к контактам. После этого к одному из них, например, фазному, подключается контакт через клеммник от вилки (провода) любого маломощного электроприбора – настольной лампы, например;
- далее, как показано на иллюстрации, также через клеммники, свободный штырек вилки (провод лампы) к одному из щупов, свободный контакт розетки – к другому. В большинстве современных мультиметров полярность подключения (куда подключать плюсовый щуп, куда минусовый) не важна, показания на дисплее будут одинаковыми. При перепутанной полярности рядом с цифрами появится знак «-»;
- после выполненных подключений розетку снова включат в общедомовую цепь автоматом. После перевода выключателя лампы в положение «ON» можно проводить замер. Для разных приборов-потребителей ток будет различаться. Так, при подключении обычной лампы накаливания ток составить около половины ампера.
Техника безопасности
Если работаете на слаботочных сетях или прозваниваете прибор с напряжением не более 24 В, можно не особенно задумываться об изоляции. Если работаете на сети с напряжением 220 В, обязательны резиновые перчатки. Вообще говоря, без допуска вообще не стоило бы соваться в проводку даже в собственной квартире или гараже, но когда отсутствие бумажки останавливало жителя России или других стран бывшего советского союза. Хотя бы ознакомьтесь с элементарными правилами безопасности: работать инструментом с изолированными рукоятями, не касаться оголённых элементов проводки руками без защиты, при монтаже розеток, выключателей, патронов или просто соединении проводов, обесточивать сеть.
Как подключить мультиметр
Прежде чем начать измерения при помощи мультиметра, прибор нужно правильно собрать, чтобы не спалить. В принципе сложного в этом ничего нет, и после установки батареи питания, необходимо подключить к мультиметру щупы.
Черный щуп мультиметра всегда подключается в гнездо «COM». Красный щуп мультиметра может подключаться к двум другим гнездам. Одно из них 10A служит для измерения тока, второе гнездо VmA предназначено для измерений всего остального.
То есть, если вам нужно измерить мультиметром напряжение в розетке, проверить конденсатор или диод, то красный щуп необходимо устанавливать именно в это гнездо, которое отмечено надписью VmA.
Как проверить напряжение в розетках мультиметром
Для этого нужно установить переключатель мультиметра в один из диапазонов, который наиболее близко подходит к измеряемому напряжению. Если измеряется напряжение в розетке, то на мультиметре выставляется диапазон в 750 Вольт, чтобы не спалить прибор.
Также, при измерении напряжения в розетке необходимо выбирать режим измерения переменного напряжения, который обозначен знаком AC или V~. Если нужно измерить напряжение аккумулятора, то следует выбирать режим измерения постоянного напряжения с обозначением DC или же V—.
Когда режим измерения на мультиметре выставлен, нужно засунуть щупы в отверстия розетки и наблюдать за дисплеем прибора. При правильном подключении мультиметр покажет напряжение в сети, а если измеряется постоянное напряжении, то еще и укажет полярность подключения щупов.
Как проверить конденсаторы мультиметром
Для проверки конденсаторов мультиметром необходимо перевести мультиметр в режим измерения сопротивления, который обозначен в виде знака Ω, после чего приложить щупы к выводам конденсатора. Если конденсатор рабочий, то на экране мультиметра начнут бежать цифры, которые означают зарядку конденсатора от батареи питания мультиметра.
В зависимости от емкости конденсатора, цифры остановятся и исчезнут на определенном значении. В таком случае это будет означать, что конденсатор исправен, и его можно использовать в схемах. Если же на экране мультиметра ничего не высветилось или появилась цифра 1, то это означает что конденсатор испорченный.
Есть и такие мультиметры, которые уже оборудованы специальным гнездом для проверки конденсаторов. В том случае, когда у вас под рукой оказался именно такой мультиметр, то лучше, конечно же, проверять конденсаторы как положено.
Проверка резисторов мультиметром
Для этого сначала нужно постараться правильно оценить диапазон измерения сопротивления. Если номинал сопротивления заранее известен, то переключатель мультиметра следует перевести в ближайший по значению диапазон. В таком случае ошибки при измерении сопротивления мультиметром быть не должно.
Если же сопротивление неизвестно, то можно выставить любое на мультиметре. В том случае, когда на экране высветится цифра один, нужно будет изменить диапазон измерений на другой, поскольку этот оказался не подходящим.
Нельзя во время измерения сопротивления мультиметров касаться руками неизолированной части щупов, поскольку это может изменить показания мультиметра.
Несколько слов о силе тока, и для чего ее бывает нужно измерять
Для начала вспомним, что же это такое – сила электрического тока.
Этот показатель (I) измеряется в амперах и входит в число основных физических величин, определяющих параметры той или иной электрической цепи. К двум другим относят напряжение (U, измеряется в вольтах) и сопротивление нагрузки (R, измеряется в омах).
Как преподносилось в школьном курсе физики, электрический ток является направленным движением заряженных частиц по проводнику. Если рассматривать с большим упрощением, вызывается он электродвижущей силой, возникающей из-за разности потенциалов (напряжения) на полюсах (клеммах, контактах) подключенного источника питания. По своей сути сила тока показывает количество этих самых заряженных частиц, проходящих через конкретную точку (элемент схемы) в единицу времени (секунду).
На величину силу тока в цепи влияют два других параметра. Напряжение связано прямой пропорциональностью – так, например, его увеличение вызывает и повышение силы тока. Сопротивление – наоборот, то есть с его ростом при том же напряжении сила тока снижается.
Забавная картинка, наглядно демонстрирующая взаимосвязь основных величин электрической цепи: «Вольт стремится «пропихнуть» Ампер по проводнику, преодолевая препятствия, чинимые Омом».
А слева на иллюстрации показано графическое, удобное для восприятия, изображение закона Ома, показывающего эти взаимосвязи. Из этой «пирамиды» легко составляются формулы в их привычном написании:
U = I × R
I = U / R
R = U / I
Итак, сила тока измеряется в амперах. С некоторым упрощением можно объяснить так, что 1 ампер – это ток, который возникнет в проводнике сопротивлением 1 ом, если к нему приложить напряжение, равное одному вольту.
Кроме основной единицы, используют и производные. Так, довольно часто приходится иметь дело с миллиамперами. Из самого термина понятно, что 1 мА = 0.001 А.
Кстати, сразу упомянем, и про мощность. Ток в 1 ампер, вызванный напряжением 1 вольт, выполнит работу в 1 джоуль. А если это привести к единице времени (секунде), то получится значение мощности, равное 1 ватту.
Это определяется формулой закона Джоуля-Ленца:
P = U × I
где Р – мощность, выраженная в ваттах.
Для чего все это рассказывалось? Да просто потому, что большинство случаев замера силы тока, так сказать, на бытовом уровне, так или иначе связано с определением других параметров. Согласитесь, мало кому придет в голову мысль: «а дай-ка я проверю силу тока просто так», то есть без дальнейшего практического приложения. Тем более что, как уже упоминалось выше, работа с амперметром – наиболее сложная и зачастую небезопасная.
Например, в каких случаях чаще всего замеряют силу тока:
- Для уточнения реальной потребляемой мощности того или иного бытового электроприбора. Промерив значения силы тока и напряжения несложно по формуле вычислить и мощность.
- Этот же промер и последующий расчет позволяют оценить, советует ли подводимая линия питания таким нагрузкам.
- Случается, что подобные «ревизии» позволяют выявить пока еще скрытые, незамеченные дефекты прибора – когда значение силы тока (и мощности, соответственно) намного отличаются от заявленного в паспорте номинала в ту или иную сторону.
- Измерения силы тока позволяют оценить степень заряженности автономных источников питания – аккумуляторов и батареек. Проверка их по напряжению никогда не дает объективной картины. Вольтметр может показать, скажем, положенные 1.5 вольта, но уже спустя несколько минут элемент питания безнадежно «сядет». То есть проверку следует проводить именно измерением силы тока.
- Таким измерением можно выявить утечку тока, там, где ее по идее быть не должно. Это часто практикуется автомобилистами, если у них есть подозрения, что аккумулятор слишком активно разряжается, когда машина «отдыхает» в гараже или на стоянке. Проведенная проверка позволяет локализовать участок утечки и избежать, кстати, немалых проблем, к которым она может привести.
Цены на мультиметры
мультиметр
Умение замерять силу тока позволяет выявить утечку в электрохозяйстве автомобиля
Иногда требует проверки зарядное устройство аккумулятора – выдает ли оно необходимое значение тока зарядки.
Возможны и иные случаи, когда требуется иметь объективные данные о реальной силе тока. Но основные случаи все же перечислены.
Измерение напряжения
Далее следует узнать, как измерить напряжение мультиметром. В отличие от силы тока, напряжение можно определять и у постоянного, и у переменного тока даже при использовании самых бюджетных устройств.
Узнать определенное напряжение постоянного тока потребуется, например, если понадобится измерить остаточную емкость аккумулятора мультиметром. Перед тем как приступать к измерениям, нужно выбрать тип тока и диапазон значений. Предел устанавливается исходя из тестируемого объекта — у пальчиковых батареек стандартное напряжение равно 1,5 вольт, у автомобильной батареи — 12–12,5 вольт и т. д. точные цифры всегда написаны на электроприборах. Предел ставится ближайший к предполагаемому значению с округлением в большую сторону.

Кликните для увелечения
Далее нужно сделать следующее:
- Подключить черный щуп к порту COM.
- Подключить красный щуп к порту для измерения напряжения (отмечен буквой V).
- Подключить свободные концы щупов к контактам исследуемого объекта.
В школе на уроках физики учат, как измерить напряжение вольтметром, — включать прибор в цепь нужно параллельно потребителю. Здесь принцип тот же: подключать щупы нужно параллельно клеммам автомобильного аккумулятора, участку кабеля и т. д.
Постоянный ток измеряется, если нужно узнать напряжение аккумулятора или другого источника; если же исследуется электросеть, нужно переключить мультиметр в режим переменного тока, далее порядок действий аналогичен. Напряжение спокойно можно измерять и в розетке.
Исходя из первых двух параметров можно измерить мощность прибора, просто перемножив эти величины.
Как измерить силу тока трансформатора мультиметром
Течение электрического тока в трансформаторе осуществляется исключительно в замкнутом контуре. Для того чтобы произвести измерения тока, нужно вначале подключить какую-нибудь нагрузку, а затем последовательно с ней в цепь включается мультиметр. В данном случае переключатель также выставляется в режим измерений переменного тока. Провод красного цвета подключается к отдельному выходу.

На подготовительном этапе нужно сделать следующее:
- Щуп с проводом черного цвета устанавливается в соответствующее черное гнездо, а щуп с красным проводом – в красное гнездо, где имеется обозначение «А», то есть, ампер.
- Тумблер переключается в нужное положение: для измерений переменного тока – АС, постоянного тока – DC.
- Предел измерений устанавливается таким образом, чтобы он был выше предполагаемого уровня силы тока в цепи. Это поможет уберечь прибор от перегорания.
После подготовки можно переходить к непосредственным измерениям. С этой целью мультиметр нужно последовательно включить в разрыв электрической цепи между трансформатором и нагрузкой. Величина тока, проходящего через прибор, отобразится на дисплее мультиметра. При отсутствии нагрузки в цепочку можно включить ограничительное сопротивление – обычную лампочку или резистор.
Если на дисплее не отображается значение силы тока, значит предел измерений выбран неверно и его необходимо уменьшить на одну позицию. При отсутствии результата процедуру нужно повторить и продолжать делать это до того момента, пока на дисплее не появится какое-либо значение.
Внешнее строение и функции
В последнее время специалисты и радиолюбители в основном пользуются электронными моделями мультиметров. Это не значит, что стрелочные совсем не используются. Они незаменимы когда из-за сильных помех электронные просто не работают. Но в большинстве случаев дело имеем именно с цифровыми моделями.
Есть разные модификации этих измерительных приборов с разной точностью измерений, разным функционалом. Есть автоматические мультиметры, в которых переключатель имеет всего несколько положений — им выбирают характер измерения (напряжение, сопротивление, сила тока) а пределы измерения прибор выбирает сам. Есть модели, которые могут быть связаны с компьютером. Данные измерений они передают сразу на компьютер, где их можно сохранить.
Автоматические мультиметры на шкале имеют только виды измерений
Но большинство домашних мастеров пользуются недорогими моделями среднего класса точности (с разрядностью 3,5, которая обеспечивает точность показаний в 1%). Это распространенные мультиметры dt 830, 831, 832, 833. 834 и т.д. Последняя цифра показывает «свежесть» модификации. Более поздние модели имеют более широкий функционал, но для домашнего применения эти новые возможности некритичны. Работа со всеми этими моделями мало чем отличается, так что будем говорить в общем о приемах и порядке действий.
Строение электронного мультиметра
Перед тем как пользоваться мультиметром, изучим его строение. Электронные модели имеют небольшой жидкокристаллический экран, на котором отображаются результаты измерений. Ниже экрана имеется переключатель диапазонов. Он вращается вокруг своей оси. Той частью, на которой нанесена красная точка или стрелка, он указывает на текущий тип и диапазон измерений. Вокруг переключателя нанесены метки, по которым выставляется тип измерений и их диапазон.
Общее устройство мультиметра
Ниже на корпусе имеются гнезда для подключения щупов. В зависимости от модели гнезд бывает два или три, щупов всегда два. Один положительный (красного цвета), второй отрицательный — черного. Черный щуп всегда подключается к разъему, подписанному «COM» или COMMON или который имеет обозначение как «земля». Красный — в одно из свободных гнезд. Если разъемов всегда два, проблем не возникает, если гнезд три, надо в инструкции прочесть, при каких измерениях в какое гнездо вставлять «плюсовой» щуп. В большинстве случаев красный щуп подключают в среднее гнездо. Так проводится большая часть измерений. Верхний разъем необходим, если измерять собрались ток до 10 А (если больше, то тоже в среднее гнездо).
Куда подключать щупы мультиметра
Есть модели тестеров, в которых гнезда расположены не справа, а внизу (например, мультиметр Ресанта DT 181 или Hama 00081700 EM393 на фото). Разницы при подключении в этом случае нет: черный на гнездо с надписью «COM», а красный по ситуации — при измерении токов до от 200 мА до 10 А — в крайнее правое гнездо, во всех других ситуациях — в среднее.
Гнезда для подключения щупов на мультиметрах могут располагаться снизу
Есть модели с четырьмя разъемами. В этом случае два гнезда для измерения тока — одно для микротоков (менее 200 мА), второе для силы тока от 200 мА до 10 А. Уяснив что и для чего имеется в приборе, можно начинать разбираться как пользоваться мультиметром.
Положение переключателя
Режим измерений зависит от того, в каком положении находится переключатель. На одном из его концов есть точка, она обычно подкрашена белым или красным цветом. Вот этот конец и указывает на текущий режим работы. В некоторых моделях переключатель сделан в виде усеченного конуса или имеет один край заостренный. Этот острый край тоже является указателем. Чтобы работать было проще, можно на этот указывающий край нанести яркую краску. Это может быть лак для ногтей или какая-то стойкая к истиранию краска.
Положение переключателя диапазонов измерений на мультиметре
Поворотом этого переключателя вы изменяете режим работы прибора. Если он стоит вертикально вверх, прибор выключен. Кроме этого есть следующие положения:
- V с волнистой чертой или ACV (справа от положения «выключено»)- режим измерения переменного напряжения;
- A с прямой чертой — измерение постоянного тока;
- A с волнистой чертой — определение переменного тока (этот режим есть не на всех мультиметрах, на представленных выше фото его нет);
- V с прямой чертой или надпись DCV (слева от положения выключено) — для измерения постоянного напряжения;
- Ω — измерение сопротивлений.
Также есть положения для определения коэффициента усиления транзисторов и определения полярности диодов. Могут быть и другие, но их назначение надо искать в инструкции к конкретному прибору.
Назначение и работа мультиметра
Для измерения каждой электрической величины существуют отдельные приборы – напряжение измеряют вольтметром, силу тока – амперметром и т.д. Мультиметр может измерять не одну, а несколько электрических величин. Для этого его надо переключить в соответствующий режим.
Основные элементы управления
Основными элементами управления служат переключатель рода работ (селектор) и кнопки. Набор кнопок зависит от типа прибора, но практически любой имеет кнопку HOLD (хотя, например, у популярного тестера М830В она отсутствует). С помощью этой кнопки можно зафиксировать измеренное значение – оно сохранится даже после отключения щупов мультиметра. Это пригодится при замерах в труднодоступных местах, когда сложно одновременно выполнять подключение проводов для измерения и считывание показаний дисплея.

Измеренное напряжение сети 220 В, измеренное тестером и зафиксированное кнопкой HOLD.
У мультиметров с автоматическим выбором предела практически всегда имеется функциональная кнопка. Она дополняет селектор, переключая род тока, режим измерения и т.п. Также у тестера могут быть дополнительные кнопки. Чтобы разобраться с их назначением, надо изучить инструкцию на прибор.

Управляющие кнопки мультиметра Appa 98 II – функциональная, ручного выбора предела, измерения частоты, HOLD.
Значки режимов переключателя
Режим работы прибора выбирается переключателем – с этого начинается любая работа с мультиметром. От того, в какое положение будет установлен переключатель, зависит вид измеряемого параметра, а в некоторых случаях – как он будет (и будет ли вообще) отображаться на дисплее.

Селектор прибора с автоматическим выбором предела измерения.
Наиболее удобны тестеры с автоматическим выбором предела измерения (но они и дороже). Достаточно лишь выбрать род измеряемой величины, и мультиметр сам определит ее размерность и в каком виде выводить результат на индикатор. На рисунке приведен пример селектора такого прибора, для выбора режима он работает в паре с функциональной кнопкой. Начиная с крайнего положения по часовой стрелке (как на фото) режимы работы тестера:
- Выключен.
- Измерение напряжения (с помощью функциональной кнопки можно выбрать переменное или постоянное).
- Измерение малых напряжений в милливольтах (кнопкой также выбирается переменное или постоянное).
- Измерение сопротивления (с помощью кнопки можно переключиться на высокоомный режим).
- Режим звуковой прозвонки (переход в режим тестирования диодов).
- Измерение малых токов (переменное/постоянное той же кнопкой).
- Измерение больших токов (переменных/постоянных).
- Измерение электрической емкости.
- Измерение частоты (переход на замер ухода частоты).
- Температура в градусах Цельсия (можно переключиться на Фаренгейты).
После завершения измерений селектор надо поставить в положение OFF, чтобы батарейка не разряжалась впустую.

Переключатель режимов тестера с ручным выбором предела.
Если мультиметр не имеет функции автоматического выбора предела, верхнюю границу надо выбрать вручную. Если она будет слишком низкой, вместо индицируемого значения на индикаторе будет символ перегрузки (OV или подобный). Если выбирается слишком большой предел, точность отображения будет сниженной.
Расшифровка показаний на дисплее

Индикация напряжения в килоомах и мегаомах.
Расшифровать показания дисплея несложно – цифровой прибор выдает их сразу в виде, удобном для восприятия. У тестера с автоматическим выбором предела помимо замеренного значения на индикаторе тестера сразу дается единица измерения с множителем – килоом, милливольт и т.п. У прибора с ручным переключением уровня единицу измерения и множитель надо считать по шкале селектора.

Единица измерения определяется по положению селектора V~
Как измерить постоянное напряжение мультиметром
Возьмем вот такую вот батарейку. Как мы видим, на ней написан ток 550 мАh , который она может выдавать в нагрузку в течение часа, то есть миллиампер в час, а также напряжение, которым обладает наша батарейка – 1,2 Вольта. Напряжение – это понятно, а вот что такое “ток в течение часа”? Допустим, наша нагрузка -лампочка кушает ток 550 мА. Значит лампочка будет светить один час. Или возьмем лампочку, которая светит послабее, и пусть она у нас кушает 55 мА, значит она сможет проработать 10 часов.
Значение 550 мА, которое у нас написано на батарейке, делим на значение, которое написано на нагрузке и получаем время, в течение которого все это будет работать, пока не сядет батарейка. Короче говоря, кто дружен с математикой, тому не составит труда понять сие чудо
Давайте замеряем напряжение на батарейке, один щуп мультиметра ставим на плюс, а другой на минус, то есть подсоединяем параллельно, и вуаля!
В данном случае напряжение на батарейке 1,28 Вольт. Значение на новой батарейке всегда должно превышать то, которое написано на этикетке.
Давайте замеряем напряжение на блоке питания. Выставляем 10 Вольт и замеряем.
Красный – это плюс, черный – минус. Все сходится, напряжение 10,09 Вольт. 0,09 Вольт спишем на погрешность.
Если же мы спутаем щупы мультиметра или щупы блока, то ничего страшного не произойдет. Мультиметр покажет нам такое же значение, но со знаком “минус”.
Имейте ввиду, на таких мультиметрах это не прокатывает. Для того, чтобы точно определить полярность не имея мультиметра, можно прибегнуть к нескольким советам, которые описаны в этой статье.
Классификация мультиметров
Все тестовые устройства делятся на цифровые (здесь и далее в статье речь пойдет только о цифровых мультиметрах) и аналоговые. Последние иначе называются наконечниками стрел по сравнению со временем предыдущего изобретения и менее совершенными.
Различия между устройствами заключаются не столько в особенностях информационного дисплея – аналоговый диск на аналоговом дисплее и жидкокристаллический на цифровом – но также в функциональности и практичности работы.
С большим удобством отслеживания небольших изменений измеряемого параметра (например, сетевого напряжения) аналоговый мультиметр имеет большую погрешность измерения
Кроме того, что очень важно при работе в неудобных условиях, тестер указателя должен оставаться неподвижным (чтобы избежать колебаний стрелок), а цифровой тестер – нет
Основные показатели на мультиметре
Символы, которые нанесены на переключатель измерительного прибора, обозначают единицы замеров тока, напряжения и сопротивления:
- «A», или ампер;
- «V», или вольт;
- «ОВ», или Ом.
Основные значения на мультиметре
Пределы замеров определяются специальными метрическими приставками:
- «Вµ» ( микро) – 10-6 ед. при замере;
- «m» (мили) – 10-3 ед. при замере;
- «к» (кило) – 103 ед. при замере;
- «М» (мега) – 106 ед. при замере.
Все современные мультитестеры выпускаются как в цифровом или электронном, так и в аналоговом исполнении, но цифровые, буквенные обозначения и символы на приборе, как правило, стандартные. Например, волнистая линия обозначает переменные показатели силы тока или напряжения, а горизонтальная черта с пунктиром служит для обозначения постоянных величин.
Некоторые модели мультиметров оснащаются очень удобной современной функцией «Аutоrаnging», позволяющей выставить предел замеров в автоматическом режиме.




































