Шаг №4 Тип УЗО
тип АС
Защищает только от утечки в сетях переменного тока.
тип А
Обеспечивает защиту при утечке как на переменном, так и импульсном токе (современные телевизоры, блоки питания, компьютеры и т.п).
тип S и G
Требуются для щитовых с большим количеством УЗО (на гл.вводе и отходящих линиях), в так называемых каскадных схемах.
Они обеспечивают селективность при которой узо на гл.вводе срабатывает в самую последнюю очередь.
тип B
УЗО реагирует на переменный, пульсирующий, постоянный и сглаженный ток.
Самый распространенный — это тип АС. Однако в быту для обычных квартир рекомендуется использовать все же тип А.
В Европе в некоторых странах (например, Германия) тип АС даже действующими там правилами.
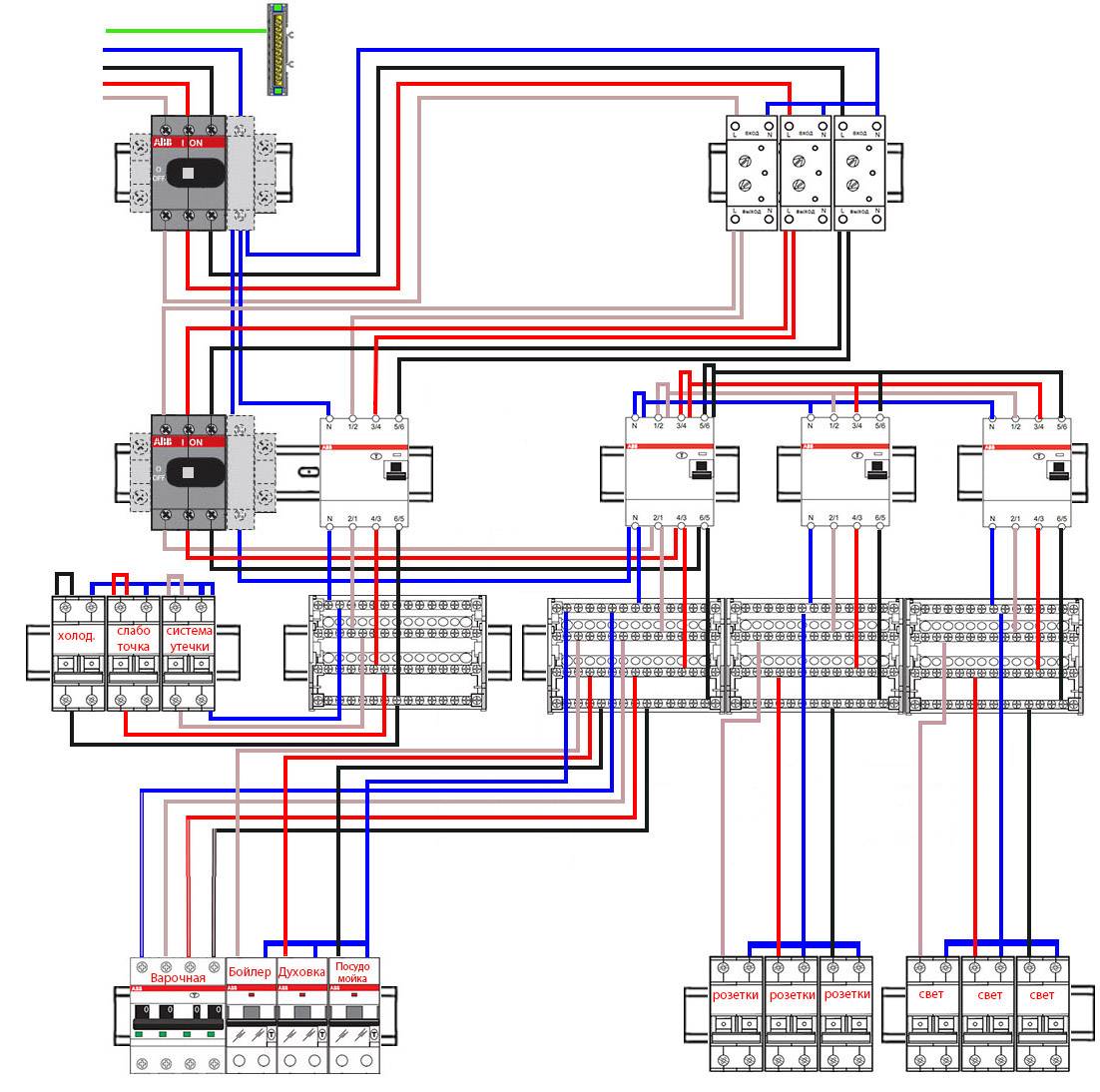
Вариант №3. Минимум три УЗО — идеально
Почему я считаю что в квартире необходимо устанавливать минимум три УЗО? Отключение дифференциальной защиты происходит по нескольким причинам:
- Прикосновение человека к токоведущим частям. Это самый простой случай и для приведения электросхемы в рабочее состояние достаточно включить УЗО или дифавтомат.
- Нарушение изоляции между частями оборудования, находящимися под напряжением, и заземлённым корпусом или водопроводом. В этом случае установка нескольких приборов упростит поиск неисправности.
- Превышение фонового тока утечки над уставкой УДТ. Для предотвращения ложных срабатываний так же необходимо устанавливать несколько защитных устройств.
В обычной квартире достаточно двух штук с уставкой 30мА, но здесь есть один нюанс — для защиты от замыкания на землю и поражения людей электрическим током стиральную машину и розетки рекомендуется подключать через УЗО с уставкой 10мА. Такие приборы могут срабатывать при токе утечки всего 5мА, поэтому они подключаются только к отдельной линии.
Соответственно, для более надёжной защиты и упрощения поиска неисправностей необходимо установить 3 защитных устройства:
- для кухонных розеток, включая посудомоечную машину — 30мА;
- для комнатных и коридорных розеток и освещения — 30мА;
- для розеток в ванной, включая посудомоечную машину — 10мА.
При увеличении количества групп потребителей количество УДТ желательно увеличить. Поэтому на вопрос сколько УЗО нужно на квартиру однозначного ответа не существует. Необходимое количество защитных устройств зависит от схемы электропроводки.
| Совет! В частном доме целесообразно установить отдельный прибор для линий, идущих в гараж, сарай, времянку и для уличного освещения. | 
Некоторые «специалисты» советуют вместо нескольких приборов с уставкой 30мА подключать одно устройство с током срабатывания 100мА. Это делать нельзя, потому, что такой ток является смертельно опасным для человека. Кроме того, в месте нарушения изоляции будет выделяться мощность до 22Вт.
Это сравнимо с мощностью пламени карманной зажигалки и может привести к возгоранию рядом расположенных горючих материалов и пожару.
Недостатки при установке большого количества УЗО
Основной недостаток большого количества защитных приборов — высокая стоимость этих устройств. Кроме того, это увеличивает размеры электрощитка, а совмещение функций УЗО и автоматического выключателя в одном дифференциальном автомате ещё больше увеличивает стоимость электропроводки.
Поэтому при определении, сколько УЗО нужно на квартиру, необходимо выбирать оптимальное соотношение между достоинствами и недостатками большого количества приборов.
Если установка для каждой линии отдельного автомата является необходимостью, без этого линия не является отдельной, то количество УЗО можно уменьшить и присоединить к одному прибору линии, подключающиеся к разным автоматическим выключателям.
| Информация! При подключении к одному УЗО нескольких линий номинальный ток прибора определяется общим током автоматических выключателей, но не больше, чем ток вводного автомата. | 
Варианты схем
Нельзя сказать, что существует одна конкретная схема. Каждый случай имеет свои особенности, поэтому подключение УЗО может производиться по-разному. Во-первых, устройство применяется в сетях однофазного и трёхфазного напряжения (это уже две разные схемы). Во-вторых, можно установить УЗО на вход и защитить таким образом от токовых утечек всю квартиру. А можно производить монтаж устройств для каждой отдельной линии, тем самым защищая только определённый участок электрической сети.
Пример подключения УЗО в однофазной сети на видео:
Так как схема для подключения УЗО имеет несколько вариантов, очень важно, чтобы вы могли их читать. Сейчас в паспортах многих электробытовых приборов и техники указано, как и через какой тип УЗО необходимо выполнять их подключение к электрической сети. Рассмотрим, как правильно подключить УЗО, на нескольких общих примерах
Рассмотрим, как правильно подключить УЗО, на нескольких общих примерах.
Что такое однофазная сеть?
При однофазной электрической сети потребители запитаны по двум проводникам – фаза и рабочий ноль. Номинальное напряжение в таких сетях – 220 В.
Однофазная сеть может быть двухпроводного и трёхпроводного исполнения. В первом случае используется два проводника – фазный и нулевой, на схемах они обозначаются английскими буквами «L» и «N».
Второй вариант помимо фазы и ноля предусматривает ещё наличие проводника защитного заземления (его обозначение «РЕ»). Основная функция этого заземляющего провода – дополнительно защитить людей от поражения электрическим током. За счёт его подсоединения к корпусам электроприборов, в случае замыкания фазы на корпус произойдёт отключение электропитания. Это спасёт и жизнь человека, и саму технику от перегорания.
А теперь поговорим о том, какой может быть схема подключения УЗО в однофазной сети.
Подключение на входе (в однофазной сети)
В этом случае монтаж УЗО производится в щитке после вводного двухполюсного автомата. Вслед за устройством защитного отключения располагаются отходящие автоматические выключатели. Такая схема включения УЗО обеспечивает одновременную защиту от токовых утечек всем отходящим потребителям.
Недостаток схемы в сложности поиска места повреждения. Например, произошло замыкание фазы на металлический корпус какого-то бытового прибора, включенного в данный момент в розетку.
Происходит срабатывание УЗО, в квартире исчезает напряжение. Если в это время в розетки были включены несколько приборов, то сразу определить повреждённый будет проблематично.
Такая схема имеет и положительные стороны. За счёт того, что используется только одно устройство защитного отключения, монтаж распределительного щитка обойдётся дёшево, да и сам он будет небольших размеров.
Имейте в виду, что широкое распространение получила ещё одна разновидность такой схемы, в ней между вводным автоматом и УЗО принято устанавливать счётчик электрической энергии.
Подключение на входе и на отходящих линиях (в однофазной сети)
При таком варианте схемы установка УЗО производится после вводного автоматического выключателя и ещё на каждую отходящую линию.
О том, что такое селективность поговорим чуть ниже.
Например, произошла утечка тока на одной из отходящих линий. Должно сработать устройство, которое защищает именно эту группу.
Если по каким-то причинам УЗО не отработало, то через определённое время (это называется выдержкой времени) отключится общее УЗО на входе, оно как бы подстраховывает отходящее.
Несомненный плюс такой схемы в том, что в момент повреждения будет отключаться только аварийная линия, а во всей остальной квартире подача напряжения не прекратится.
Недостатки подобной схемы в больших габаритах распределительного щитка и в дороговизне (УЗО – вещь не дешёвая, а при таком варианте их понадобится несколько).
На видео сравнение нескольких схем подключения:
https://youtube.com/watch?v=EQs-iqz-kAE
Можно немного сэкономить и опустить в этой схеме однофазное УЗО на входе, то есть выполнить монтаж только групповых устройств на отходящих линиях. Многие электрики вообще считают вводное УЗО лишней тратой денег, потому что каждая линия уже имеет свою защиту. Но как мы говорили выше, оно является своеобразной подстраховкой, на случай если выйдет из строя групповое устройство. Поэтому здесь всё зависит от ваших финансовых возможностей. Есть деньги – монтируйте схему с УЗО на входе. Если так накладно, установите только отходящие устройства, это тоже будет замечательно. Многие люди совсем не ставят УЗО, предпочитая экономить средства на собственной безопасности.
Какой нужен дифавтомат?
Делая выбор, обращают внимание на такие параметры:
- Мощность. Соотносится с мощностью сети (одно- или трехфазной).
- Напряжение. Для однофазной сети — 220 В, для трехфазной — 380 В.
- Номинал. В бытовых сетях лучше всего ставить автоматы, имеющие в маркировке букву «С». Для сети с розеткой предпочтительнее вариант С 16. Иногда берут тип С 25.
- Встроенный защитный отключатель. Какой выбрать автомат для стиралки? Рекомендуется брать А-класс. Есть еще с АС-классом, но этот вариант не так хорош для мощной нагрузки.
- Дополнительная защитная автоматика. Отсутствие защиты от обрыва провода — ноль, вызовет несрабатывание УЗО при неисправности одного из проводов.
- Ток дифференциального отключения. Лучший вариант — 30 мА. Есть на 10 мА — более дорогие, их использование не рационально.

Дифавтоматы, созданные для токовой защиты, также отключают нагрузку при появлении дифференциальных токов. Последние могут появляться во время пробоя изоляции на корпус — тогда токи, втекания и вытекания, неодинаковы. При появлении этой разницы прибор разрывает цепь и поражение током исключается. Если человек коснется токоведущих частей, электроток, протекающий через него, не успеет вырасти до опасной величины в 0,1 А.
Как выбрать УЗО
Выбрать УЗО для квартирной электропроводки или дома для домашнего электрика не представляет трудностей. Подойдет любое однофазное УЗО, рассчитанное на рабочий ток равный току защиты автоматического выключателя и ток утечки 30 мА. Фотография такого УЗО приведена в начале статьи.
Какой тип УЗО лучше для квартиры электромеханическое или электронное
УЗО выпускаются в двух конструктивных исполнениях – электромеханические и электронные. Для правильного выбора нужно провести сравнение их технических характеристик.
| Сравнительная таблица характеристик электромеханического и электронного УЗО | ||
|---|---|---|
| Характеристика | Электромеханическое УЗО | Электронное УЗО | 
| Цена | низкая | высокая | 
| Конструкция | сложная | простая | 
| Надежность | высокая | низкая | 
| Погрешность тока срабатывания | высокая | низкая | 
| Работоспособность при обрыве нулевого провода или при снижении напряжении сети ниже допустимого | сохраняется | не работает | 
| Устойчивость к скачкам повышенного напряжения в сети | высокая | низкая | 
| Габаритные размеры | большие | многократно меньше | 
Как видно из таблицы, если нет ограничений по габаритным размерам нужно выбирать электромеханическое УЗО. Электронное УЗО незаменимо в случае установки на отдельный электроприбор, например, в электрическую розетку или удлинитель.
Основные технические характеристики УЗО
Требования к техническим характеристикам УЗО устанавливает ГОСТ Р 51326.1-99 (МЭК 61008-1-96) «Выключатели автоматические, управляемые дифференциальным током, бытового и аналогичного назначения без встроенной защиты от сверхтоков».
Для желающих сделать более осознанный выбор свел все основные технические характеристики УЗО в таблицу.
| Таблица основных технических характеристик УЗО | |||
|---|---|---|---|
| Характеристика | Обозначение | Величина | Примечание | 
| Рабочее напряжение | В | 220, 380 | Для домашней однофазной сети устанавливается УЗО на напряжение 220 В, для трехфазной – на 380 В | 
| Количество фаз | 1, 3 | Указывается в паспорте | |
| Ток утечки срабатывания, IΔn | мА | 5 | В ПУЭ нет указаний на установку, но можно встретить в рекомендациях по использованию электроприборов, например, теплых полов | 
| 10 | Предназначено для подключения розеток, установленных в ванной, кухне, детских комнатах и для приборов, установленных на земле | ||
| 30 | Универсальное, подходит для всех случаях применения в доме или квартире | ||
| 100, 300 | Применяют в промышленности, иногда устанавливаю на вводе электропроводки в жилье для повышения пожарной безопасности | ||
| Максимальный ток нагрузки, In | А | 6-125 | Должен быть равен или больше, чем ток автоматического выключателя, установленного после УЗО | 
| Максимальный ток коммутации, Im | А | 500 | Должен быть в 10 раз больше максимального тока нагрузки | 
| Ток короткого замыкания, Inc | кА | 3-10 | Максимальный ток, который кратковременно выдержит УЗО в случае короткого замыкания в электропроводке | 
| Время отключения | мс | <30 | Время, через которое после превышения допустимого тока утечки УЗО должно отключить нагрузку | 
| Периодичность проверки | месяц | 1 | Для простой проверки достаточно нажать кнопку Тест на УЗО. Для диагностики времени срабатывания необходим специальный прибор | 
| Рабочая температура | °С | минус 25 – +40 | Рабочая температура, при которой допускается эксплуатация УЗО | 
| Конструктивное исполнение | Электромеханические | Надежнее, дешевле, но больше по размерам электронных УЗО | |
| Электронные | Современные УЗО, дорогие, малогабаритные | ||
| Тип по форме тока срабатывания | АС | Срабатывает, если синусоидальный ток утечки возрастает медленно или скачком | |
| А | Срабатывает, если синусоидальный или пульсирующий постоянный ток утечки возрастает медленно или скачком | ||
| В | Срабатывает, если синусоидальный, пульсирующий постоянный или постоянный ток утечки возрастает медленно или скачком | ||
| Способ установки | Предназначено для крепления на DIN-рейке в щитке | Предназначено для установки в электрических щитках квартир и домов | |
| Вмонтировано в розетку | Устанавливается для защиты отдельного электроприбора или в случае старой электропроводки для исключения ложных срабатываний от естественных токов утечки | ||
| В виде переходника, подключаемого к розетке | |||
| Устанавливаемое на удлинитель | |||
| Устанавливаемое на сетевом шнуре электроприбора | 
Противопожарное УЗО: до или после счетчика.
Уважаемые профи! Приходил электрик из УК, внес лепту в монтаж щитка. Внесите ясность, пожалуйста, противопожарное УЗО 63А* 300 мА должно быть установлено до счетчика или после ? Счетчик в квартирном щитке . Если до счетчика и в квартирном щитке — на УЗО должна быть пломба? Если УЗО противопожарное поставить после щитка , то оно не защищает счетчик и ввод? так куда его ставить? Помогите разобраться. Спасибо.
Мастеров онлайн: 475 Заказов в неделю: 2 860 Предложений в сутки: 1 321
УЗО ставить до счётчика, соответственно доступ к его клеммам должен быть закрыт, если этого хочет УК.
УЗО не защищает сеть от короткого замыкания, а защищает человека от поражения эл. током, поэтому ничего страшного если оно будет стоять после счетчика. А для защиты счетчика и ввода у вас стоит автомат в этажном щите.
С вводного автомата фаза и рабочий ноль заводятся непосредственно к прибору учета (электросчетчику). Далее, после прибора учета, как правило, устанавливается противопожарный УЗО (устройство защитного отключения). Клеммы вводного автомата закрывают и пломбируют (одновременно со счетчиком). Противопожарное УЗО защищает только от значительных токов утечки, которые могут привести к возникновению пожара, а не защиты защиты человека от поражения элек. током. Поддерживаю высказывание Сергея Евгеньевича
ставится только после счетчика.предназначено для защиты от утечек тока. ,то есть оно не считок а потребителей тока
ТОЛЬКО. после счетчика. УЗО не должен защищать прибор учета.
Противопожарное УЗО в квартире нафиг не нужно. Но если есть желание поставить, то в этажном щите, после счетчика.
спасибо за ответ, но счетчик то в квартире
вы если боитесь, что счётчик коротнёт, то поставьте 2-х полюсный авт. выключатель(1 фазный) до счётчика, только его придётся ставить в отдельный бокс и пломбировать, а узо можно и после
Противопожарное УЗО следует устанавливать в Этажном щите, а если его установить в квартирном щите — то оно уже автоматически перестает быть противопожарным.
В ПУЭ рекомендуется установка противопожарного, но не требуется. Это обусловлено тем, что не у каждого потребителя установлены устройства защитного отключения на групповые линии. Вот и предлагают установку на вводе в этажных щитах УЗО с током срабатывания от 100 мА до 300 мА. Подрядные организации, которые обслуживают внутренние электросети, заинтересованы в увеличении объемов работ, так как это дополнительные деньги и увеличение сметной стоимости. Лично я никогда не устанавливаю пожарное УЗО на вводе, так как считаю это бессмысленным делом, излишняя растрата денег. 7.1.84. Для повышения уровня защиты от возгорания при замыканиях на заземленные части, когда величина тока недостаточна для срабатывания максимальной токовой защиты, на вводе в квартиру, индивидуальный дом и т.п. рекомендуется установка УЗО с током срабатывания до 300 мА.
УЗО защищает от поражения человека, а не счётчик. перед счётчиком устанавливают Автомат и пломбируют. Возможно вы путаете УЗО с Дифавтоматом?
ПУЭ, пункт 7.1.64 регламентирует установку перед счетчиком КОММУТАЦИОННОГО АППАРАТА. какой именно это должен быть аппарат (предохранитель, автомат, УЗО, рубильник и т.д и т.п.) не регламентируется.
Электрику из УК можно рекомендовать для защиты установить УЗО в главный распределительный щит, или перенести туда прибор учета. В квартирном распределительном щите все защитные и другие утройства, устанавливаются после прибора учета.
Здравствуйте! Установить необходимо после счетчика, пломбы быть на УЗО не должно(Да и поставить ее некуда там).Перед узо не ставится цель-защиты счетчика и вводного автомата, перед УЗО ставится цель-измерить сколько тока пришло и сколько ушло и, в случае если тока пришло больше чем ушло, обесточить участок, за который отвечает УЗО.Данный тип УЗО необходимо ставить после автомата ,который идет после счетчика(И как правило находится в квартире).Обратите внимание, что данное узо не защищает от поражения человека током, необходимо довить в щиток УЗО со срабатыванием в 30мА
«пломбы быть на УЗО не должно(Да и поставить ее некуда там).» Это верно. Пломбу ставят на бокс, в который устанавливается УЗО, и который в свою очередь устанавливается в щит учёта. Хотя на сегодняшний день выпускаются и УЗО, и автоматические выключатели с защитными крышками на каждый контакт и с возможностью установки пломбы на них, дабы предотвратить несанкционированное подключение на контактах устройства. Например EKF делают такие приборы. КЭАЗ так же. Думаю, бытовая линейка Шнайдера тоже подтянется.
Узо требуется ставить после счетчика. Тем более на 63а,оно и будет вводным автоматом. А счетчик защищен автоматом на РЩ. Хотите могу более подробно проконсультироваться?
Критерии выбора УЗО
При выборе УЗО внимание уделяется нескольким основным параметрам:
- тип расцепления. УЗО, которые устанавливаются в квартирах, обладают 2 типами расцепления – А и АС. Приборы с типом А ориентированы на переменный синусоидальный и постоянный пульсирующий ток, возникающий постепенно или увеличивающийся. Приборы АС создаются для переменного синусоидального тока утечки, появляющегося внезапно;
- число полюсов. Число полюсов в УЗО определяется напряжением в конкретной сети. Чем выше напряжение, тем больше полюсов должен поддерживать выключатель. Для сетей 220В используются двухполюсные модели, для сетей 330В четырех-полюсные;
- ток защиты. Под этим критерием понимается сила тока, пропускаемая УЗО при продолжительном функционировании. Этот показатель равняется или находится на уровень выше по сравнению с УЗО, который предохраняет ту же часть цепи;
- отключающий ток. Параметр указывает на ток утечки, которого достаточно для срабатывания выключателя. У данного критерия есть универсальное значение – 30 миллиампер. Оно предотвращает угрозу пожара и применяется на линиях с повышенной нагрузкой;
- время отключения. Критерий определяет период, который разделяет момент возникновения утечки и момент срабатывания УЗО. Согласно нормам, допустимый период реагирования составляет 0,3 сек. У лучших выключателей скорость отключения увеличена до 0,02 сек.;
- температурный режим. Стандартные УЗО ориентированы на работу при температуре от -3 до +35 градусов. Производители выпускают специальные морозоустойчивые модели, которые эксплуатируются при условиях до -20 градусов.
Видео — На что обратить внимание при покупке УЗО
При покупке УЗО учитывается тип помещения, в которую устанавливается прибор. Для комнат с большим количеством влаги требуются высокочувствительные устройства, которые реагируют на 10 миллиампер. Для остальных комнат подходят приборы на 30 миллиампер. Цена на устройства дифференциально отключения зависит от тока утечки и количества полюсов.
Главные характеристики УЗО
Выделим главные технические характеристики, на которые нужно обращать внимание при выборе УЗО для жилого помещения перед началом ремонта. К ним относятся:
- количество полюсов: двухполюсный и четырёхполюсный УЗО;
- напряжение сети: 220 или 380 В;
- номинальный ток нагрузки сети, он колеблется от 16 до 100 Ампер;
- условный ток короткого замыкания – может варьироваться от 3 до 15 кА. Эта величина показывает надёжность данного УЗО, и его способность к сопротивлению при возникновении замыкания;
- конструкция устройства – электронный либо электромеханический;
- принцип его работы (Ас, А, В, S или G);
- его коммутационная способность.
Коммутационная способность – обозначается Im; являет собой максимальное значение, до которого это устройство будет реагировать. Эта величина должна составлять не менее 500 А.
Для обычной сети напряжения в 220 Вольт оптимально подойдут обычные двухполюсные приборы. Но для трехфазной сети с напряжением около 380 В следует выбирать уже упомянутые нами четырёхполюсные приборы УЗО.
Основные элементы и характеристики УЗО
Современные защитные устройства не рекомендуется устанавливать в домах со старой проводкой. В таких помещениях часто происходит утечка тока, что приводит к нестабильности всей сети и существенным скачкам напряжения. В результате УЗО может срабатывать вообще без причин.
Обычно в жилых помещениях УЗО устанавливают для защиты утечки тока на кухнях и ванных, так как именно в этих комнатах существует повышенная влажность. Эти места более всего насыщены электрическими приборами, где может образоваться утечка тока.
Дифференциальный автомат – защищает от всего
Автоматический выключатель дифференциального тока или дифавтомат – это устройство, которое совмещает в себе функции защиты от коротких замыканий и перегрузок, а также от утечки тока. Простыми словами: дифавтомат – это автоматический выключатель и УЗО в одном корпусе.
Давайте разберемся в особенностях дифавтоматов и их обозначениях. Для примера рассмотрим АВДТ32ЕМ от IEK.
На лицевой панели видим внутреннюю схему аппарата, где чётко видны элементы, отвечающие за отключение цепи при перегрузках: тепловой расцепитель обозначен красной цифрой 1, а электромагнитный расцепитель – красной цифрой 2. Силовые контакты размыкают фазный и нулевой проводник, но расцепители установлены только в фазном полюсе (автоматы такой конструкции называются 1P+N).
У дифференциальных автоматов АВДТ32ЕМ от IEK время-токовая характеристика электромагнитных расцепителей может быть двух типов: B и C. Чувствительность к перегрузке при этих характеристиках такая же, как и у обычных автоматов, то есть АВДТ32ЕМ типа В сработает при токах выше номинального в 3-5 раз, а АВДТ типа С – при перегрузках в 5-10 раз.
АВДТ32ЕМ – защищает и от утечек тока. Красной цифрой 3 на схеме и пунктирной линией выделен дифференциальный трансформатор и исполнительное реле. Как только сила тока в нуле и в фазе будет отличаться на величину, большую, чем половина от номинального дифференциального тока отключения, аппарат сразу же разомкнёт цепь и отключит неисправную линию.
По схеме видно и то, что это электромеханический дифавтомат, а об этом же говорят буквы «ЕМ» в названии АВДТ32ЕМ.
Теперь разберемся, в чем эти отличия заключаются на практике. Для работы электромеханических АВДТ не нужно напряжение питания. Они срабатывают, если есть разница между токами в проводах, а для работы электронных аппаратов нужно наличие питания (фазы и нуля).
С точки зрения безопасности, разница заключается в том, что если у вас «отгорит» ноль на вводе и при этом произойдёт утечка тока или вы попадёте под напряжение по другой причине, то электронный АВДТ не сработает. У него не будет питания, а электромеханический АВДТ сработает в любом случае. Тоже самое касается и УЗО.
То есть у электромеханических дифференциальных выключателей есть следующие преимущества:
- Не зависят от напряжения питания, сохраняют работоспособность при обрыве нулевого проводника.
- Не выходят из строя от импульсного перенапряжения.
- Не потребляют энергию для собственного питания.
Отметим, что АВДТ32ЕМ выпускаются с разным номинальным отключающим дифференциальным током. Это могут быть 10, 30 или 100 миллиампер, что позволяет их использовать в «мокрых» линиях, на групповых линиях розеток или освещения и в качестве общего дифавтомата для нескольких групп или на вводе.
Кстати, в некоторых случаях, если во время пожара при возгорании изоляции через неё возникнет ток утечки на землю, дифавтомат также среагирует на это и отключит линию, не дав развиться пожару.
При выборе дифавтомата стоит обращать внимание на еще две характеристики: тип тока утечки, на который он реагирует (1 на иллюстрации ниже), и коммутационная способность (2)
У рассматриваемого дифавтомата АВДТ32ЕМ рабочая характеристика по виду дифференциального тока типа А – он сработает при утечках как синусоидального тока, так и постоянного пульсирующего тока. Дифавтоматы типа АС срабатывают только при синусоидальном токе.
Поэтому в квартирных электрощитах лучше использовать АВДТ типа А.
Типы характеристик по наличию по наличию в дифференциальном токе составляющей постоянного тока четко указаны в ГОСТ Р 51327.1, цитата:
Цифрой 2 на рисунке выделено обозначение коммутационной способности. Здесь написано 6000 и обведено прямоугольником, значит, рассматриваемый дифавтомат может размыкать цепи с током короткого замыкания до 6000А.
Данный параметр есть у всех автоматических выключателей, УЗО и дифавтоматов. У модульной продукции для квартирных электрощитов коммутационная способность бывает 4500А и 6000А. Считается, чем он выше, тем надёжнее и устойчивее аппарат к отключению цепей при коротких замыканиях.
 Предыдущая
 Автомобильные лампыОбзор светодиодных ламп Recarver Type R типа H7
 Следующая
 Обзоры и НовостиКак правильно установить телескопические (шариковые) направляющие для выдвижных ящиков
Спасибо, помогло!1Не помогло
Когда нельзя никому доверять
Производители некоторых устройств не могут полагаться, что покупатель адекватен и в его электрощите есть защита, поэтому добавляют свою.
В виде персонального УЗО для устройства в вилке или в виде коробочки на шнуре. Если покупатель подключит бойлер пластиковыми трубами, корпус не заземлит, то при потере герметичности ТЭНа электричество по воде в трубах и пойдет через человека в заземленную ванну. Такое УЗО защищает конкретно одно устройство, и в некоторых странах существуют нормативы, обязывающие добавлять УЗО на некоторые типы устройств. Как вы можете заметить, устройство также содержит кнопочку “тест” для проверки работоспособности защиты.
Монтаж и типовые схемы подключения противопожарного УЗО
Для установки противопожарного устройства защитного отключения потребуется минимальный набор инструментов, немного опыта электромонтажных работ и подходящая для потребителя схема. Перед монтажом нужно ориентироваться на следующий список инструментов и материалов:
- пассатижи, кусачки, 1-2 м провода сечением от 2,5 кв. мм;
- индикаторная отвертка, мультиметр или контрольная лампочка;
- само УЗО и инструкция по его установке;
- подходящая схема подключения.
Сложности существуют с подбором правильной схемы. Квартирный щиток может быть оснащен заземляющим проводом, а может быть и без него. Некоторые потребители для работы требуют 3 фазы питания, а некоторые только одну. Поэтому ниже приведены несколько типичных схем подключения противопожарного УЗО.
Подключение однофазного УЗО
Одна из наиболее популярных схем. Она применима в квартирах и частных домах с однофазным питанием без заземляющего провода:
- На вводе в электрощит устанавливается автоматический выключатель. Он защитит последующие цепи от КЗ.
- За ним следует прибор учета. В данном случае он однофазный.
- Далее подключается УЗО. Монтаж проводов выполняется согласно маркировке на корпусе прибора.
- После УЗО ноль следует подсоединить на общую N шину, а фаза расходится по групповым автоматам.

Подключение трехфазного УЗО
Для защиты от пожара трехфазной сети потребуется четырехполюсное устройство на 380 В. Остальные же принципы монтажа остаются теми же. Сначала идет вводной автомат, затем счетчик и групповые автоматы или УЗО.
Основная задача противопожарного УЗО — это защита от возгорания проводки. Устройства этого класса рассчитаны на сравнительно высокие токи утечки до 300 мА. Поэтому они не подходят для обеспечения безопасности человека от поражения электротоком.
  Схема подключения противопожарного УЗО
Схема подключения противопожарного УЗО
На ток утечки противопожарного УЗО оказывает влияние состояние и возраст проводки. Также сказывается ее протяженность и разветвленность. Чем хуже состояние кабелей, тем выше риск ложных срабатываний устройства защиты.
Выбор типа УЗО
Наконец мы подошли к выбору типа УЗО. В бытовых электросетях обычно используют УЗО двух типов: АС и А. Самый распространенный тип АС. Он защищает от тока утечки синусоидальной переменной формы. Но в современных квартирах работает множество приборов (телевизоры, компьютеры и т.д), использующих импульсные блоки питания, выпрямители и регуляторы на тиристорах, которые при пробое могут создавать импульсные токи утечки. На такие утечки УЗО типа АС не будут реагировать, поэтому в жилых квартирах желательно использовать УЗО типа А.
По конструктивному исполнению, лучше всего выбрать электромеханические УЗО. Они не требуют для своей работы питания и для того, чтобы они сработали достаточно, чтобы появился дифференциальный ток.
Следующим шагом будет выбор номинального условного тока короткого замыкания (Inc). Этот параметр определяет надежность и прочность устройства, качество исполнения его механизма и электрических соединений. В быту обычно используют УЗО с показателем 6000А. Но для загородного дома этот показатель желательно увеличить до 10 кА.
Селективность при выборе УЗО
Определяем селективность. Селективность устройств защитного отключения означает, что для устройств, включенных в цепь последовательно, при возникновении в защищаемой ими цепи тока утечки, должно сработать только то УЗО, которое ближе всех расположено к месту повреждения. Если сказать проще, селективность позволяет исключить нежелательные отключения последующих УЗО, что упрощает поиск и устранение неисправности, приведшей к срабатыванию, и обеспечивает работоспособность остальных участков цепи.
Для того, чтобы обеспечить селективность работы УЗО, включенных в цепь последовательно по древовидной схеме, необходимо выполнить два условия (независимо от значений токов утечки, возникающих при повреждениях в электрической сети):
- Селективность по времени
- Селективность по току.
Для УЗО общего типа, ГОСТ определяет только максимальное время отключения. Селективное УЗО срабатывает с задержкой. При появлении тока утечки в одной из нижестоящих групп, вышестоящее селективное УЗО будет пропускать через себя ток утечки при этом выжидать, давая возможность сработать УЗО в этой группе, поскольку оно имеет меньшее время срабатывания.
Температурное исполнение УЗО
Далее смотрим на температурное исполнение. Стандартно УЗО рассчитаны на диапазон температуры окружающей среды от -5 до +40°С. Если требуется установить УЗО на улице, то его необходимо выбрать с символом снежинка на передней панели. Эти УЗО работают в диапазоне температур от -25 до + 40°С.
Степень защиты УЗО. В стандартном исполнении УЗО выпускаются со степенью защиты IР20 и на корпусе она не указывается. В случае, если необходимо другое исполнение, то выбираем его по каталогу для конкретного бренда.
Выбираем производителя. Желательно, чтобы все УЗО были одного производителя. Это необходимо для соблюдения селективности. Думаю, что будет удобно заказывать сразу всю комплектацию электрощита у официальных представителей выбранного вами производителя.
Вот и все, на что надо обратить внимание при выборе УЗО. Я считаю, что сборку электрического щита лучше доверить специалистам, особенно когда речь идет о загородном доме
Но сначала вы должны продумать какую электрическую технику вы будите эксплуатировать в своем доме и где она будет стоять. Исходя из этих данных, специалист сделает электрическую схему дома и определит необходимый ассортимент оборудования для электрического щита. А вопрос как выбрать УЗО не будет стоять перед вами.
В следующей статье я расскажу что выбрать, УЗО или дифавтомат.
РЕКОМЕНДУЮ ЕЩЁ ПОЧИТАТЬ:

























































