Способы установки накопительных баков
От места установки резервуара для воды в бане, зависит сложность разводки водопровода. Его нужно выбрать так, чтобы не пришлось тянуть подачу из одного конца помещения в другое. Баня – в любом случае малоэтажное строение, поэтому выбирать место расположения накопителя придется из двух вариантов: нижнего и верхнего.



Неудобства могут возникнуть и при высоком КПД печки, расположенной в маленькой по площади парной. Вода будет быстро нагреваться, и затем выкипать. Атмосфера в парной будет накаляться и становиться не комфортной. Помещение наполнится чрезмерно горячим влажным воздухом. Пользователи вынуждены будут открывать дверь в предбанник, чтобы выпустить пар, а это прямой путь к сквознякам и простудам. В этом случае лучше выбирать бак небольшого объема.
Если это невозможно – монтировать систему с теплообменником и выводить бак в моечную.
Нижняя установка
Такие баки устанавливают в подвалах. В них уже встроена система подачи воды. В этой схеме его устанавливают на уровне фундамента. Бак зарывают в грунт, а забор воды осуществляется путем установки дополнительного насоса.
Круглогодичное использование бани, требует утепления резервуара и закладку его на уровень ниже промерзания грунта. В летнем варианте его устанавливают в подвальном помещении на расстоянии от земли в 0,5 метра.
Верхнее расположение
При таком варианте установки бак закрепляют на устойчивой площадке, прикрепленной к стене или отдельной. Верхнее расположение проще нижнего, поскольку не требует подводки труб от центрального водопровода и монтажа дополнительных устройств. Резервуар монтируют на максимальной высоте от места подачи: леек и кранов. Это может быть кровля, специальная эстакада и место внутри бани.



Недостаток этого способа установки – низкий напор воды. Но чаще всего, резервуар используется только для того, чтобы ополоснуться после бани. Поэтому значительный напор здесь не требуется.
Повышение давления достигается путем его установки в более высокой точке. Например, для 0,1 атмосферы, достаточно высоты над уровнем расположения кранов в 1 метр, а для 0,5 атмосфер, накопитель устанавливают на высоту в 3–5 м.
Этапы монтажа:
- Бак крепят под потолком и соединяют трубами со змеевиком.
- Правильную циркуляцию воды обеспечивают соединением верхнего отвода резервуара с верхним отводом змеевика, нижний – с нижним. После подключения отвод горячей воды будет сверху, холодной – снизу.
- В точке входа холодного водоснабжения устанавливают «взрывник» – предохранительный клапан, здесь же монтируют обратный клапан.
- Задают максимально допустимое давление, при котором срабатывает предохранительный клапан. Настройку производят в соответствии с инструкцией бака.


Важно, чтобы длина контуров была не более 2,5 м. Преимуществом такой системы в том, что при достижении водой нужной температуры ее движение по трубам можно остановить
Установка натрубных
Смонтировать бак на трубу своими силами несложно.
Схема подключения его к печи состоит из следующих этапов:
Отрезают часть трубы, идущую от топки до потолка.
На выходном печном отверстии устанавливают штуцер. Оптимальная его длина – 10 см.
Соединяют штуцер с трубой, которая вмонтирована в бак
При несовпадении диаметров используют переходник.
Для надежности фиксируют всю конструкцию скобами из металла.
Важно правильно повесить резервуар – между потолочным коробом и емкостью должен обязательно оставаться зазор около 20 см;
Верхний отрезок трубы на баке крепят к потолку с помощью сегмента дымохода. Их соединяют напрямую друг с другом, если размеры различаются, то через переходник.
Последнее действие – нанесение на места стыков и швов жаростойкого состава. Его задача – не допустить проникновения через возможные отверстия вредных для дыхания печных газов.
Как установить?
Работы ведутся в несколько этапов:
- Необходимо выбрать место для монтажа. Не рекомендуется навешивать бак с горячей водой непосредственно на деревянную поверхность стены. Сначала потребуется закрепить слой теплоизоляции. Можно наклеить лист пенопласта и поверх его, разметив места крепления саморезов, просверлить отверстия меньшим сверлом.
- Закрепляем емкость и приступаем к разметке и сверловке отверстий для подвода труб от теплообменника. Потребуется большое сверло, но сверлить лучше в несколько проходов, начиная с маленького размера, постепенно доведя отверстие до необходимого диаметра.
Подключение бака к теплообменнику
- Соединяем трубы с кранами. Труба подводки горячей воды должна подходить от верхнего патрубка теплообменника, а трубопровод охлажденной воды должен располагаться снизу. Можно использовать металлопластиковые трубы, хотя специалисты рекомендуют устанавливать подводку из медной трубы, но она очень дорогая.
Схема установки бака для банной печи
После всех этих операций можно выполнить пробный запуск системы нагрева воды, но первый кипяток лучше не использовать для помывки. А уж затем собирайте всех родных и друзей и отправляйтесь в парную наслаждаться горячим паром в парилке и горячей водой в вашей помывочной или душевой.
Как грамотно установить и подключить бак для воды?
Итак, как правильно установить бак в бане? Если в моечной вода будет идти из-под крана, то есть под постоянным давлением, необходима так называемая закрытая система водоснабжения. Для этого идеальным вариантом будет печь со змеевиком внутри, к которому и подключится сам бак. Но можно реализовать и такой способ: бак будет подвешен на саму печь. Для этого подойдет самая простая конструкция на 50-120 литров, которую не сложно сварить и самостоятельно. Наиболее оптимальный вариант – бак на 80 л из неоцинкованного железа, который можно приобрести в любом строительном магазине.
Правильно подключенный бак в бане будет выглядеть так: вода греется в регистре и поднимается в бак. В нем она понемногу остывает и опускается вниз, в сам регистр. Вот так возникает естественная циркуляция, а чтобы ее улучшить, забор воды делать целесообразнее из обратки – хоть это и не всегда удобно, ведь в таком случае ждать придется долго, пока бак нагреется. Зато самой водой уже можно пользоваться, как только протопится печь. Но более эффективно и продумано, если продумана возможность переключать забор воду с прямого на обратки – это куда удобнее. Если же вход и выход в бак сделать снизу, то циркуляция будет происходить медленнее.
А сама схема будет выглядеть так:
1. Бак для горячей воды устанавливается в парилке, под полками и подключается трубами к змеевику банной печки.
2. Для правильной циркуляции у бака верхний отвод соединяется с таким же верхним отводом печного змеевика, а нижний – с нижним. Так отвод горячей воды будет идти сверху, а холодной – снизу.
3. На входе холодной воды устанавливается обратный и предохранительный клапан – он называется еще взрывником.
4. Согласно инструкции бака-накопителя устанавливается давление срабатывания предохранительного клапана.
И работать вся эта конструкция будет так: заполненный бак станет греться через змеевик и при потреблении горячей воды он автоматически станет наполняться через подвод холодной. По мере нагрева воды, если ее пока не использовать, это давление будет расти, и при достижении критической точки сработает взрывник – он сбросит это давление.
Если все сделать правильно, то горячая вода в бане будет в таком количестве, сколько нужно – и под таким напором, под каким комфортно будет мыться после парилки.
Установка бака на печную трубу
Готовый бак на печь для бани является отдельным коленом основного дымохода. Поэтому все работы по его установке можно провести самостоятельно.
Существуют два варианта установки бака:
- вблизи печи;
- на трубе, проходящей через чердак бани.
Оба варианта имеют одинаковую схему установки, однако в последнем случае значительно упрощается процесс наполнения бака водой. Поскольку теплообменник располагается не в парном отделении, то к нему можно подвести водопроводный кран, подсоединенный к насосу. Следовательно, подавать воду в бак можно будет в автоматическом режиме.

Бак с подводкой воды, установленный на чердаке
Разберем более подробно все этапы установки бака, при его расположении непосредственно над выходом дымоходной трубы из печки.
В первую очередь (если баня не новая) необходимо демонтировать старый отрезок дымохода, соединяющий печку и прохождение через перекрытие потолка.

Разборка старого дымохода
Далее необходимо действовать так:
- на высоту 8 – 10 см к выходному отверстию от печки установить отрезок трубы. Таким образом, бак будет именно навешен на трубу, а не установлен на печку. Этот кусок дымохода также необходим для образования наиболее прочного и герметичного крепления бака. Соединения труб производится при помощи специальных обжимных хомутов;
- если труба бака не соответствует диаметру дымохода, то установленный отрезок монтируется переходник;
- устанавливается бак так, чтобы он не доставал до верхней части дымохода также 20 – 25 см;
- при необходимости вверху аналогичным образом устанавливается переходник на основную трубу дымохода. Если переходник не нужен, то верх трубы бака соединяется с остатком дымохода отрезком трубы, подходящей по размерам;
- бак дополнительно крепится к стенам или потолку парного отделения бани.
Схема установки бака объемом 80 л
Назначение
Для получения горячей воды в помывочной вашего банного комплекса разработано несколько видов конструкций, работающих на различных видах топлива. Но самый недорогой – это установка нагревательного бака на каменку и получение горячей воды совместно с обогревом парной.
Преимущества такого устройства обусловлено не только снижением цены затрат на горячую воду при нагреве ее газом или электричеством. Такая конструкция позволяет избежать рисков пожаров и поражения электротоком при использовании этих видов топлива.
Особенно востребованы автономные системы нагревания воды для дачных участков и домовладений в местах с не подведенным природным газом. В этом случае такие баки можно использовать для подогрева воды и для хозяйственных нужд. Главное – правильно выбрать подходящий по объему и типу установки бак и правильно его установить.
Рекомендации по монтажу и подключению выносного бака к теплообменнику
Нагретая в теплообменнике жидкость самотеком должна поступать в резервуар. Оттуда ее можно расходовать на гигиенические процедуры, после чего в бак заново заливается холодная вода, уходящая по трубопроводу в теплообменник для подогрева.
Подключение бака для воды
Теплообменник оснащен патрубками для подключения контура. Резьба на их концах облегчает монтажные работы.
Таблица. Что понадобится для подключения?
| Наименование инструментов и материалов | Иллюстрация |
|---|---|
| Болгарка | |
| Перфоратор | |
| Шуруповерт | |
| Разводной ключ | |
| Уровень | |
| Гофрированная труба | |
| Муфты | |
| Саморезы | |
| Лен | |
| Сантехническая паста | |
| Шаровые краны | |
| Тройник |
Цены на сантехническую пасту
сантехническая паста
Шаг 1. Проводятся замеры точек выхода трубопровода, после чего высверливаются отверстия под трубы горячей и холодной воды.
Сверлятся отверстия
Сделать это не всегда просто, учитывая толщину стен.
Отверстие под трубу
Шаг 2. Подвешивается выносной бак из нержавеющей стали. Для этого нужно закрутить два самореза.
Вкручиваются саморезы
Все замеры необходимо делать с использованием уровня.
Используется строительный уровень
Бак фиксируется при помощи настенного крепления.
Фиксация бака для воды
Шаг 3. Соединения труб и патрубков необходимо герметизировать. Для этого можно использовать нить Tangit Uni-Lock или герметик. Если этих материалов нет, рекомендуется воспользоваться сантехнической пастой и льном, купить которые проблем не составляет. Паста наносится на резьбу, после чего наматывается волокно (его необходимо аккуратно расправлять).
Наматывается волокно
Такое соединение отличается надежностью. После этого можно завинчивать гайки, воспользовавшись разводным ключом.
Закручиваются гайки
Нужно отметить, что некачественно выполненная герметизация приведет к протечкам воды. То же самое необходимо сделать на теплообменнике.
Важно качественно выполнить герметизацию
Шаг 4. Подключение трубопровода. Соединение теплообменника осуществляется посредством гибкой нержавеющей гофрированной трубы. Подогнать ее по размеру можно при помощи болгарки.
Для подключения используется гибкая гофрированная труба
Второй конец горячей магистрали соединяется с патрубком (верхним) теплообменника.
Второй конец горячей магистрали
Внизу контура необходимо предусмотреть колено и установить шаровый кран для слива воды перед наступлением зимы (ни в трубах, ни в теплообменнике, ни в баке жидкости в холодном помещении оставаться не должно). Этот кран должен быть расположен в самой нижней точке.
Шаровый кран
Также монтируется выход горячей воды (подводится к крану).
Слив горячей воды из бака
В результате получилась такая конструкция.
Такая конструкция получилась в итоге
Теплообменник выглядит следующим образом: к верхнему патрубку подведена труба для отвода горячей жидкости, к нижнему – для подачи холодной воды из бака.
Подключение горячей и холодной воды
Шаг 6. Осталось наполнить бак и провести пробный запуск системы.
Из каких материалов изготавливают баки для воды в баню
Наши предки использовали для нагрева воды в бане чугунные ёмкости. Имели они скругленное дно и подвешивались на цепях, которые крепились к потолочным балкам. Такие баки долго грелись, но зато и вода в них долго оставалась горячей и на следующий день после использования парилки, хозяйки этой водой стирали.
Чугунные баки для воды в баню
Чугун не подвержен коррозии и вода в нем остается чистой и не ржавеет, но для его нагрева требуется значительное количество тепла. Его основной недостаток – большой вес даже без воды и поднимать и опускать бак для воды из чугуна достаточно сложно. На сегодняшний день у чугунных емкостей есть еще один недостаток: их никто не производит, во всяком случае, предложений о продаже чугунных баков для воды мы не нашли.
Один из бюджетных вариантов — бак для воды в баню из стали. Есть самодельные или фабричные варианты различного объема и конфигурации. Но сталь, пусть даже и высокого качества, ржавеет и со временем приходит в негодность. Однако такой вариант, несмотря на явный недостаток, неплохой выход. Но нужно помнить, что красить такие баки нельзя, даже термостойкими красками. Краска начнет плавиться и гореть, отравляя воздух и воду, и вместо лечебной и полезной процедуры вы получите отравление.
Бак для воды для бани из стали
Частично решить проблему ржавения могут эмалированные баки для воды. Они чуть дороже, чем стальные варианты, но зато, пока эмаль целая, такие емкости не ржавеют. Их недостаток: легко можно отбить кусок эмали, что приведет к появлению в этом месте ржавчины, а со временем и течи. Проблема решается своевременной заделкой сколов. Это можно сделать термостойкой защитной эмалью, но если бак будет непосредственно контактировать с огнем, использовать краски нельзя.
В качестве эмалированного бака для воды можно использовать обычную кухонную кастрюлю большого объема. Ее ставят на верх печи, если позволяет конструкция. Это очень неплохой вариант быстро организовать себе горячую воду в бане. Если банька у вас небольшая, для помывки одного человека вполне достаточно 40 литров. Если в бане находится больше людей, можно поставить две кастрюли, или отбирать нагретую воду в другую емкость и доливать холодную воду для подогрева.
Эмалированная кастрюля емкостью 40 литров. Вполне подойдет в качестве бака для небольшой баньки
Те любители бани, которые часто парятся в гостях, наверняка видели и кастрюли из алюминия.
Алюминиевую кастрюлю емкостью 50 литров можно установить как на металлическую так и на кирпичную печку
Надо заметить, что если речь идет о самодельных металлических печах (например из трубы), то вода в ёмкости поставленной на печь, запросто может закипеть, даже если печка нагревается газом. Если парилка и мойка представляют из себя одно помещение, то мыться, при кипящей в ёмкости воде, становится испытанием.
Самый надежный, и в последнее время наиболее распространенный — бак для бани из нержавейки. Нержавеющая сталь — оптимальный вариант как для горячей, так и холодной воды. Бак из нержавейки не подвержен коррозии, долговечен и эстетичен. Так как стенки баков для горячей воды имеют небольшую толщину, то и общий вес емкости относительно небольшой. Это также можно отнести к плюсам: чем меньше вес бака, тем меньше нагрузка не печь и ее фундамент.
Баки для воды из нержавейки для бани
К недостаткам бака из нержавейки можно отнести его приличную цену, ну и то, что на рынке есть много подделок, которые выдают за баки из нержавейки, и которые через некоторое время начинают ржаветь.
Что это такое
Устройство служит для нагрева воды в бане. Его принцип работы основан на физических свойствах горячей воды, расширяющейся и поднимающейся вверх, а холодная при этом остается внизу.
Обычно теплообменник небольшого размера, поэтому жидкость в нем быстро нагревается. К нему присоединяются две трубы – снизу и сверху. Таким образом, горячая по верхнему патрубку, замещаемая снизу холодной, поднимается в бак, который может находиться как в парилке, так и в смежном помещении, как правило – в мойке. При этом вода низкой температуры по нижней трубе постоянно без принудительной подачи добавляется в устройство для нагрева.
Варианты нагрева воды в бане от печи
Выделяют следующие модели:
1. Емкость самоварного типа – устанавливается на выходной патрубок дымохода. Нагрев происходит за счет тепла уходящих в трубу дымовых газов. К штуцеру на дне бака подсоединяется кран для разбора горячей воды. Если у вас нет помывочной, то данный вариант будет отличным решением для нагрева
Мы рекомендуем обратить внимание на следующие условия эксплуатации:
- использование бака самоварного типа допускается только с печами для бань;
- запрещается эксплуатировать пустой бак во время работы печи;
- если вы хотите получить «финскую сауну» данный вариант нагрева воды вам не подойдет, так как в случае долгого разогрева парной жидкость начнет кипеть, из-за чего образуется тяжелый пар.


2. Теплообменник самоварного типа (небольшого размера с возможностью подключения к баку), который можно расположить в любом месте. Удобен тем, что при его наличии, бак можно разместить в помывочной. Из очевидных преимуществ перед остальными вариантами – быстро нагревает воду.


3. Теплообменник, который устанавливается на стартовый дымоход.
4. Стартовый дымоотвод + бак-рюкзак – вариант с нахождением в парной и отсутствием регулируемой конвекции для прогрева помещения.
Емкость соприкасается со стенкой трубы дымохода, за счет чего происходит нагрев жидкости. Из недостатков также можно отметить, что данная модель не имеет защиты от жесткого инфракрасного излучения, и в случае сильного нагревания, вода начинает кипеть.
5. Дымоход-конвектор со встроенным в него нагревателем.
Особенности: регистр находится внутри трубы, из которой выходят 2 одинаковых штуцера ¾ дюйма с внутренней резьбой. С помощью патрубков устройство соединяется с баком, висящим в удобном месте.
Может быть:
- Вмонтирован в печь – при появлении накипи теряет КПД.
- Расположен возле дымохода (на нем) – медленнее обеспечивает нагрев до необходимой температуры, зато на его внутренней поверхности ничего не оседает, к нему имеется легкий доступ, и его ремонт не составляет труда.
Выбор зависит от пользователя: чему отдать предпочтение, производительности или комфорту в обслуживании, экономии полезной площади или топлива.
Встраиваемый, выносной или на трубе
Встроенный в печь бак, нагревается от верхней, наиболее горячей части топки, что обеспечивает постоянную температуру. В этом случае удобно, что не придётся заботиться о выводе дыма, поскольку огонь соприкасается непосредственно с дном ёмкости. Воду можно зачерпывать из бака или обустроить её подачу, с помощью вмонтированного в бак крана.
Оснастив топку теплообменниками, можно разместить ёмкость в любом удобном месте, скажем в моечной, соединив медные трубы и бак для бани. Чертёж подробнее расскажет об этом:

Часто баки размещают прямо на трубах дымоходов. Температура дыма достигает более 450°С, поэтому вода будет не только нагреваться, но и иметь постоянную высокую температуру. Баки на трубах могут иметь большие объёмы и размеры, поскольку источник тепла, то есть дымоход, может обеспечить теплом большие резервуары.
Ещё одной важной деталью является тип топлива, которым будет отапливаться печь. В последнее время дрова заменяются на электрически тэны, которые позволяют гораздо быстрее и дешевле растопить печь и не выделяют при этом угарного газа
Многие ценители не хотят отказываться от запаха горящих дров, который по своему приятен. На этот случай можно соорудить камин в комнате отдыха и насладиться этим ароматом уже после парной.
Виды
Встроенные баки подразделяются на три подгруппы по способу и месту их установки:
- традиционные – встроенные баки для горячей воды;
- современные, мобильные конструкции – выносные емкости, которые можно устанавливать в помывочной, экономя место в парилке;
- конструкции, которые устанавливаются на трубу дымохода.
Разберем подробнее устройство, достоинства и недостатки каждого нагревательного прибора.
Встроенный
Такие баки изготавливаются в процессе конструирования каменки для бани. Бачок необходимого объема, размера и формы врезается в верхней части печки, рядом с сеткой для укладки камней, или даже утопленным в каменке. В этом случае вода быстро нагревается и позволяет быстро использовать ее в хозяйственных нуждах, а 2-3 порцию воды для помывки людей. Может изготавливаться из различных материалов.
Лучший вариант – чугунная емкость. Она обладает повышенной теплопроводностью и способна аккумулировать тепло и постепенно охлаждаться при потухшей печке.
Встроенный бак
Преимущества и недостатки
Среди достоинств выделяют:
- быстрый нагрев можно считать и достоинством и недостатком. Не успев, попарится, вам придется сливать несколько объемов бака, чтобы не допускать кипения воды долгое время;
- конструкция печи и нагревательного бака выполняется как целый, неразъемный агрегат. Это можно считать и достоинством такой печи — занимается меньше пространства в парной, но и недостатком. Горячую воду придется отбирать прямо в парной и только затем отправляться в помывочную;
- возможность дополнительного накопления тепла и отдачи его не только воде, но и камням, при полной обкладке ими бака.
Один бесспорный недостаток такой конструкции – прямой контакт донышка и стенок бачка с открытым огнем и высокой температурой в топочном отделении. Потребуется использовать для изготовления дна толстый металл, лучше чугун, но это увеличивает стоимость бака.
Выносной
Это современный и оптимальный способ обустройства бани устройства для нагрева воды. Выносной бак для бани с теплообменником устанавливается в помывочной и соединяется с теплообменником медной или латунной трубой позволяет не только избежать ожогов при переносе кипятка из парилки, но и экономит средства и материалы при его самостоятельном изготовлении.
Теплообменник в виде змеевика или другой формы расположен в печи, холодная вода поступает в него снизу и, нагреваясь, выходит в верхней части теплообменника и поступает самотеком в накопительный бак.
Печь с выносным баком
Преимущества и недостатки
К достоинствам относится:
- возможность выноса емкости в другое помещение, непосредственно в помывочную;
- система подачи горячей воды становится мобильной, появляется возможность легко переставить емкость в другое место;
- вода в баке нагревается постепенно, используется система замены охлажденной воды горячей и вытеснения холодной в устройство теплообменника.
Единственный недостаток этой схемы – возможность получения ожогов, при касании сильно разогретого бачка и труб.
Бак на трубе
Этот способ используется при постоянном использовании горячей воды для хозяйственных нужд и для душа. Вода будет сохранять тепло долгое время даже после прогорания дров, теплый воздух, постепенно выходит в дымоход и нагревает воду в баке. Температура нагретого воздуха достигает 5000-6000. Бак должен надежно крепиться на стену, для снятия нагрузки с трубы вытяжки.
Бак на трубе
Преимущества и недостатки
К недостаткам таких баков относится несколько пунктов:
- в местах соединения бака с трубой дымохода может проявляться коррозия, особенно при использовании простых сталей;
- недопустимо заполнять бачок после прогрева печи, эту операцию проводят только при не работающей каменки. В противном случае герметичность сварных швов может нарушаться. Металл закаливается и становится хрупким;
- высокие температуры приводят к выгоранию металла и сокращают срок службы устройства.
К преимуществам такого способа нагрева воды в бане относятся:
- не требуется дополнительный источник тепла, вода нагревается от температуры газа, выходящего в атмосферу;
- время нагрева парной и воды не зависят друг от друга;
- В местах установки бака трубы дымохода не подвергаются воздействию высоких температур, постоянно охлаждаясь водой.
Печь для бани с емкостью для воды
Это решение надежное и долговечное. КПД бака, установленного внутри печи, при правильном изготовлении будет выше, чем для бака на трубе. В местах, где нет дров, можно установить газовый котел в баню с баком для воды.
Модель просто приобретается готовой и устанавливается по инструкции. Также популярны газовые бойлеры. Печь может быть как самодельной, так и готовой, заводского производства.
Каменка для бани с баком для воды хороша в классической компоновке. Такая печь делается из кирпича или керамики с металлом. Бак для воды располагают в верхней части печки, которая, при установке, будет обращена к стене.
На лицевой стороне остается пространство для камней. Горячая вода в бане по такой схеме будет нагреваться намного эффективнее и быстрее, чем если использовать бак на трубе.
При отсутствии готового решения организуется горячая вода в бане своими руками. Схемы тут могут быть самыми различными, но главное — необходимо обеспечить максимально эффективную теплопередачу от печи к воде. Металлические баки с тонкими стенками подходят лучше всего.
Эффективно комбинированное решение: бачок для горячей воды в баню устанавливается наполовину над топливником каменки и на трубу. В металлический бак вваривается колено дымохода. Выход дымохода из топки делается горизонтальным. Передняя часть топливника необходима для нагрева камней.
Нержавеющий бак: установка в бане
Проще всего устанавливаются насадные баки. Нужно установить кольцевую муфту, фиксирующую водогрейку на дымоходе печи, далее ставится опорный стакан и сам корпус бака из нержавейки. Последним на корпус устанавливается шиберный узел и дымоходная труба, идущая на крышу бани.
Для монтажа настенной водогрейки на печку используют монтажные хомуты и болтовое крепление. Коробка из нержавейки должна быть прижата к стенке с усилием в 8-10 кг.

Наиболее сложной считается установка выносной водогрейки. Сам бак подвешивают на дюбелях и монтажных петлях на высоте не менее 150 см.
Далее в соответствии со схемой прокладывают по бане металлические гофры. Обычно условиями подключения требуется, чтобы трубы располагались к линии горизонта под углом не менее чем на 30о. Но на практике водогрейные емкости из нержавейки комбинированного типа нормально работают в бане, даже при уклоне в 10о.
Как сделать бак для воды своими руками
Сделать бак рюкзак не представляет особой проблемы. Чертеж одного из вариантов будущей водогрейки приведен ниже.

Для изготовления потребуются два отрезка стальных труб. Для внутренней стенки используется труба, диаметром 125 мм. Для наружной части можно использовать заготовку диаметром 175-250 мм.

Кроме того, нужно будет вырезать два днища и две стенки из тонколистового металла. В верхней части приваривается горловина, а в донную врезается штуцер для подключения крана. Все работы выполняются только с помощью углекислотного полуавтомата. Крепится бак-рюкзак на дымовую трубу с помощью металлических петель.
Разновидности резервуаров
Устанавливаются баки для воды разной конфигурации. Способ нагрева воды также может отличаться. Выбирая емкость, следует учитывать все нюансы.
Предназначение бака для горячей воды в бане
Вместимость
Объем устанавливаемого бака зависит от количества человек, которые одновременно могут находиться в бане и использовать горячую воду. В среднем на каждого следует предусмотреть 10…20 литров кипятка (с небольшим запасом). Сегодня выпускаются резервуары объемом 50…100 л. Как правило, бак вместимостью, превышающей 100 л, устанавливать нецелесообразно.
Форма емкости может быть любой
Материал
При выборе емкости нужно учитывать, что она должна быть способной выдерживать воздействие высоких температур (до 250 градусов) в течение длительного времени.
Металлический бак для воды в бане
Не стоит пытаться сэкономить и устанавливать баки из черных металлов. Такой подход не может быть оправдан не с точки зрения эстетики, а в основном из практических соображений. От постоянного воздействия высоких температур металл со временем деформируется, на нем появятся следы коррозии. Это значительно снижает эксплуатационный ресурс емкостей и качество воды в них.
Наиболее распространенный вариант бака – конструкция из нержавеющей стали. Востребованность таких резервуаров объясняется их привлекательным внешним видом, прочностью, стойкостью к различным видам внешних воздействий, высокой скоростью прогрева, способностью долго сохранять тепло, сравнительно малым весом, гигиеничностью, высокой долговечностью и простотой ухода. Конфигурация бака может быть разной. Но стоит качественная нержавеющая сталь немало. И нужно учитывать, что сегодня предлагается много поддельной продукции, которая в скором времени заржавеет.
Не так часто, но встречаются баки, выполненные из чугуна. Появление ржавчины им не страшно. Однако нужно учитывать, что, несмотря на то, что вода в таких конструкциях не будет быстро остывать, для ее нагрева требуется больше времени. Из-за громоздкости резервуаров нужно грамотно продумать их местоположение. Сегодня не так много компаний занимаются выпуском чугунных баков, да и стоят они не очень дешево.
Покрытые эмалью емкости можно использовать, но и они не являются оптимальным вариантом. Конечно, такой материал не поддается коррозии и очень гигиеничен
Но низкая стойкость к механическим повреждениям со временем неизбежно приведет к тому, что металл с довольно тонким покрытием покроется сколами (в результате не очень осторожного обращения) и эти участки заржавеют. Устранить проблему уже не получится.
Местоположение и конструктив
Для размещения бака используются три способа: традиционный (непосредственно около топки), на дымоходе и выносной. Чем они отличаются?
Печь для бани с баком
Встроенный в печь бак
Резервуар может находиться сбоку или над топкой. Вода в нем нагревается достаточно быстро (воздействует открытый огонь). Для ее слива устанавливается шаровой кран. Конечно, такая конструкция не предполагает проведение работ по прокладке трубопровода, что экономит трудовые и материальные ресурсы. Однако пользоваться такой емкостью не слишком удобно, обычно устанавливаются бак не очень большой вместимости, да и его установка отнимает полезную площадь в парилке, которой обычно и так не очень много. Лучшее решение в малогабаритных банях – верхнее расположение бака. Так как металл будет напрямую контактировать с огнем, толщина стенок резервуара должна быть не менее 8 мм.
Бак для воды рядом с металлической топкой
Резервуар на трубе
Если высота потолка позволяет, можно установить бак на дымовую трубу. Нагрев воды осуществляется проходящими по ней горячими газами. Для упрощения процесса монтажа есть возможность приобрести емкость со встроенными коленами дымохода. Такой бак можно зафиксировать без особых усилий. При помощи прокладки трубопровода от резервуара можно провести воду в любую точку бани, для чего к нижней части емкости подсоединяется труба, обеспечивающая поступление жидкости, например, в душ. Наполнять бак, установленный таким образом, не очень просто из-за высокого расположения заливного отверстия. Лучше всего для этих целей использовать шланг, опущенный в емкость.
Резервуар на трубе
Выносная конструкция
Благодаря установке на каменку теплообменника (на дымовой трубе или непосредственно на печи) и естественной конвекции, есть возможность разместить бак в моечном отделении.
Бак для воды над кирпичной топкой
Теплообменник может быть интегрирован в печь (быть съемным или несъемным), но можно без проблем установить его и самостоятельно. Он представляет собой змеевик или емкость объемом в несколько литров с патрубками для создания контура.
Рейтинг лучших баков для воды
Предлагается несколько моделей качественных резервуаров.
№5. Горизонталь
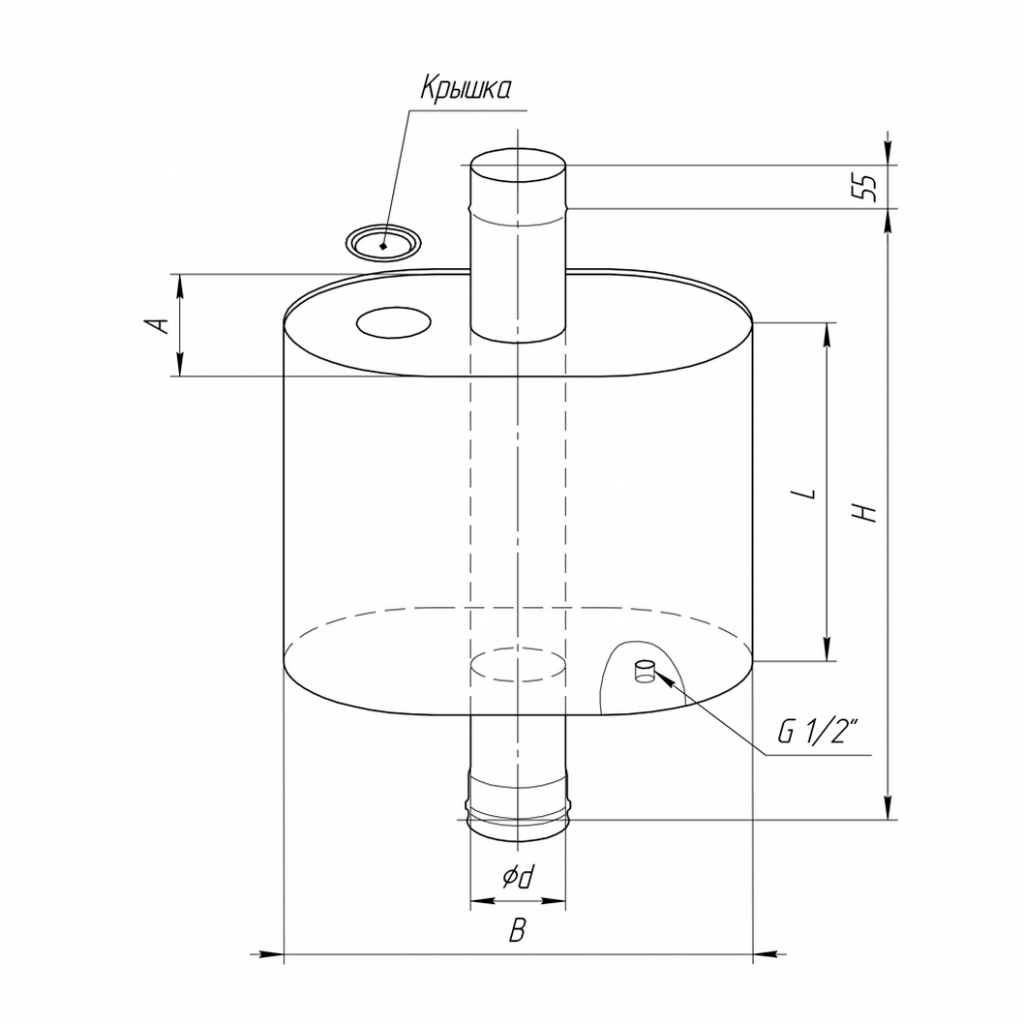
Емкость изготовлена из нержавеющей стали AISI 439. Ее предназначение – хранение горячей и холодной воды в банях и жилье. В верхней части бака расположено заливное отверстие, на дне и по бокам – патрубки G3/4 для подведения и слива жидкости. Резервуар подвешивается на стену при помощи крепления, входящего в комплект.
Горизонталь
Плюсы
- герметичность;
- стойкость к химическим и температурным воздействиям;
- малый коэффициент деформации.
Минусы
Минусов у этой модели не замечено.
№4. Вулкан
Бак прямоугольной формы устанавливается вертикально. Он выполнен из стали AISI 439. Его предназначение – использование в связке с теплообменником, из которого посредством естественной циркуляции горячая вода и поступает в емкость.
Вулкан
Плюсы
- хорошее качество исполнения;
- бюджетная стоимость.
Минусы
бак внешне выглядит не очень эстетично.
№3. МеталлСтрой
Бак подходит для хранения питьевой воды, организации автономного горячего водоснабжения или устройства летнего душа. Резервуар производится из стали AISI-430 толщиной 1 мм.
МеталлСтрой
Плюсы
- высокая прочность;
- гигиеничность;
- толстая сталь;
- небольшой вес.
Минусы
отсутствие в составе стали никеля делает ее менее стойкой к коррозии, что сокращает срок службы изделия.
№2. Феррум
Емкость треугольной формы монтируется на дымоход. Для соединения она оснащена коленями ДУ-115. При изготовлении используется лазерная технология сварки, что обеспечивает надежность шва.
Феррум
Плюсы
- отличное качество сборки;
- привлекательный дизайн.
Минусы
высокая стоимость.
№1. Теплодар Парус
Вода в баке, встраиваемом в дымоход (ДУ 115), нагревается до 70…75 градусов. Залить ее можно через люк в верхней части. Толщина стали – 0,8 мм.
Теплодар Парус
Плюсы
- длительный срок службы;
- качественное исполнение.
Минусы
достаточно высокая цена.
Таблица. Сравнение моделей баков для воды.
| Марка бака | Объем, л | Габариты, см | Цена, руб. |
|---|---|---|---|
| Горизонталь | 60 | 48 х 30,5 х 48 | 2880 |
| Вулкан | 60 | 33 х 50 х 50 | 3050 |
| Феррус | 55 | 40 х 78 х 41 | 5120 |
| Теплодар Парус | 60 | 39 х 95 х 23 | 6500 |
| МеталлСтрой | 60 | 44 х 31 х 44 | 3400 |





































